In industrial power distribution systems, manually operated isolation switches are indispensable safety devices. Whether it is a main disconnect device used as a service entrance or a power circuit for "breaking and connecting" under load, a reliable, compliant, and easy to operate non fuse isolation switch directly affects the safety and maintenance efficiency of the entire system. The SIRCO series is a product line designed to meet these demanding requirements, covering a wide current range of 30A to 1200A, complying with UL98 standards, and supporting multiple operating modes such as front/side/flange, making it the preferred choice for many engineers in distribution panels, control cabinets, and mechanical equipment. This article will provide a complete set of engineering practice guidance based on product technical data, from selection, installation, accessory configuration to common problem troubleshooting.
Product positioning and core advantages
The SIRCO series is a manually operated non melting isolation switch, manufactured using the latest switch technology and extremely durable. Its core design goal is to "load disconnect and connect" power circuits, therefore it has been tested and approved for the most demanding application scenarios, including serving as the main switch for "Service Entrance".
Key features:
Rated voltage and current: 600VAC/250VDC, with current levels covering 30A, 60A, 100A, 200A, 400A, 600A, 800A, 1000A, 1200A (note: 30A is SCV30, others are SC series or SCV series)
Visible blade contacts: 400A and below specifications are equipped with visible blade contacts for intuitive judgment of switch status
Compact design: Provides two types of switch bodies for front and side operation to adapt to different cabinet layouts
Line side shielding: The switch comes standard with a line side shielding when it leaves the factory, which increases the level of safety protection
Diversified operating handles: meet OSHA padlock requirements, NEMA types (1,3R, 4,4X, 12), Defeator options, and NFPA79 requirements
Short circuit withstand capability: When combined with a fuse, the rated short-circuit current can reach 200kA
Applicable scenarios:
Service entrance or main distribution panel disconnected (up to 600VAC, 1200A)
Make and Break on Load Power Circuit
Mechanical and electrical safety plan that complies with NFPA79 standards
Rated value and certification compliance
For engineers, the first step in selection is to confirm whether the electrical parameters and certification meet the project requirements.
Voltage: 600VAC (maximum), 250VDC (suitable for DC applications)
Current: 30A~1200A (see model table for details)
Short term endurance: up to 200kA when combined with fuses
Standard compliance:
UL98 (American Standard, Document Number E191605, Guideline WHTY)
CSA C22.2 No.4 (Canadian Standard, Document No. 703166), Class 4652 04)
IEC 60947-3 (CE marking)
Note: The IEC rating for higher currents (up to 5000A) can be consulted with the factory
Important note: All SIRCO switches meet UL98 requirements, which means they are allowed to be used as maintenance access devices. In North American projects, this certification is a common requirement for electrical inspections.
Switch body selection: Front operation vs Side operation
The SIRCO series offers two main switch body configurations: Front Operated and Side Operated. The selection depends on the cabinet structure and the installation position of the operating handle.
1. Front operation type (SC series and SCV series)
Model naming: SCxxx (such as SC400, SC600) and SCV series (such as SCV30, SCV60, SCV100, SCV200, SCV400)
Features: The operating shaft of the switch body is located on the front, and the handle is directly installed on the switch panel or extended to the outside of the cabinet door through the shaft.
Applicable current: Corresponding models are available from 30A to 1200A.
Polarity: Provides two options: 3-pole and 4-pole (4-pole model with suffix "4", such as SC4004).
Selection table (front operation, non fuse type)
Rated current (A) 3-pole model 4-pole model
400 SC400 SC4004
600 SC600 SC6004
800 SC800 SC8004
1000 SC1000 SC10004
1200 SC1200 SC12004
For 60A, 100A, 200A, 400A, as well as SCV series front operated switches (see dimension diagram below).
2. Side operation type (SCV series suffix SO)
Model names: SCV60SO, SCV100SO, SCV200SO, SCV400SO (as well as 4-pole versions such as SCV604SO)
Features: The operating axis of the switch is located on the side, suitable for cabinets with limited depth or situations that require flange operation. Side operated switches are typically used in conjunction with flange operated handles (Square D type - class 9422).
Current range: 60A to 400A.
Selection Table (Side Operation)
Rated current (A) 3-pole model 4-pole model
60 SCV60SO SCV604SO
100 SCV100SO SCV1004SO
200 SCV200SO SCV2004SO
400 SCV400SO SCV4004SO
Engineering suggestion: If the cabinet door needs to be frequently opened and the operating handle needs to be installed in the center of the door panel, choosing a front operated switch is more convenient. If the switch is installed near the side wall of the cabinet or needs to be operated from the side, the side operation type should be selected.

Selection of operating handle and transmission mechanism
SIRCO offers a wide range of external joystick options to accommodate different NEMA protection levels, padlock requirements, and detachable functions.
1. External Operation Handle - Used for front facing operation of switches
Suitable for SC series (400A~1200A) switches, connect the handle and switch through a shaft.
Handle Type Table
NEMA type IEC rating Defeator color model (400A) model (600A) model (800A) model (1000A) model (1200A)
1,3R, 12,4,4X IP65 is black HHPB4SC HHPB4SC HHPB5SC HHPB5SC
1,3R, 12,4,4X IP65 is red/yellow HHPB4SC HHPB4SC HHPB5SC HHPB5SC
1,3R, 12,4,4X IP65 No Black HHPB4NDSC HHPB4NDSC HHPB4NDSC HPPB4NDSC HPPB4NDSC
1,3R, 12,4,4X IP65 No Red/Yellow HHPB4NDSC HHPB4NDSC HHPB4NDSC HPPB4NDSC HPPB4NDSC
The Defeator function allows the joystick to be operated even when the door is open, typically used for scene maintenance. The non removable handle will automatically disengage when the door is opened to prevent accidental operation.
The red/yellow color scheme meets the requirements of emergency disconnection or high visibility.
Shaft: It needs to be ordered separately, and the shaft length should be selected according to the depth of the cabinet.
Axis length (inches/mm) model
7.9/200 SH200-15 or SHD200-15
15.7/400 SH400-15 or SHD400-15
Attention: Different current levels may have dedicated shaft models, which need to be checked when selecting.
2. Direct Operation Handle - Used for front facing operation of switches
The handle is directly installed on the operating shaft of the switch without an extension shaft. Suitable for scenarios where switches are directly installed on the surface of the panel.
Color and model
Black HADB5
3. Flange Operated Handle - used for side operated switches
The side operated switch (SCV SO series) needs to be used in conjunction with a flange operated handle, which is connected to the switch via a flexible cable (length optional).
Flange handle selection:
NEMA type, IEC type, padlockable and detachable cable length model
1,3,3R, 4,12 IP54 is 36 inches (914mm) HAFC36
1,3,3R, 4,12 IP54 is 60 inches (1524mm) HAFC60
1,3,3R, 4,12 IP54 is 120 inches (3048mm) HAFC120
At the same time, it is necessary to select the handle head:
HAF1: All external metal components are made of steel plates
HAF2: All external metal components are made of stainless steel or chrome plated non-ferrous die castings
Attention: The flange handle includes a flange operator and a coupling mechanism for connecting switches and cables, and no additional shaft needs to be ordered.
Key accessory selection
In order to improve installation and safety features, SIRCO provides a variety of accessories.
1. Terminal Lugs Kit
The switch body usually does not include wiring terminals and needs to be ordered separately according to the wire specifications.
Current level 3-pole kit model 4-pole kit model description
Each set of 400A TL400 TL4004 has 6 (3 poles) or 8 (4 poles) terminals
600A TL600 TL6004 Same as above
800A TL800 TL8004 Same as above
1200A TL1200 TL12004 Same as above
Note: TL600 is used for SIRCO 400A and 600A switches (1 wiring position per terminal), and TL1200 is used for 800A-1200A switches (2 wiring positions per terminal).
2. Terminal Screen/Shroud
Line side shrouding provided as standard when the switch leaves the factory.
Load side shield: If needed, replacement parts can be ordered. 3-pole models such as TS600SC, TS1200SC, etc; 4-pole models such as TS6004SC, TS12004SC, etc.
3. Auxiliary Contacts
Used for remote indication of switch status (such as PLC input or indicator lights).
ACHCSC: Auxiliary contact base for SC series switches (can accommodate up to 4 contact blocks)
AC3:1 NO+1 NC, 10A, 600VAC, A600 grade (card mounted)
AC4:1 NC,10A,600VAC
AC5: Side mounted auxiliary contacts for side operated switches (1 NO+1 NC)
AC6: Two side mounted auxiliary contacts (2 NO+2 NC)
Attention: The side operated switch can install up to 2 auxiliary contacts (AC5 or AC6).
4. Padlocking facility on the switch
Model: SWL01. Allow a padlock to be directly added to the switch body to lock the switch in the disconnected position.

Installation dimensions and mechanical interfaces
Accurate dimensions are the foundation of cabinet design. The following summarizes the key external dimensions.
1. Front operation switch - SIRCO V 30A (SCV30)
Polar number: 3P
A (width): 96mm (3.78 inches)
B (height): 116mm (4.56 inches)
C (Depth): 66mm (2.59 inches)
J: 37.5mm (1.47 inches)
J1: 15mm (0.59 inches)
K: 79.5mm (3.13 inches)
Y: 28.5mm (1.12 inches)
2. Front operation switch - SIRCO V 60/100A (SCV60/100)
3P:A=170mm,B=149mm,C=99mm; 4P:A=208mm
J=38mm,J1=69.5mm,K=133.5mm,K1=66.5mm,Y=24.5mm
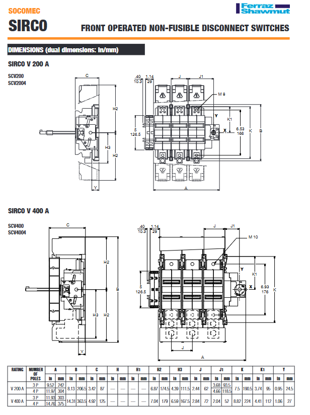
3. Front operation switch - SIRCO V 200A (SCV200)
3P: A=242mm (9.52 inches), B=206.5mm,C=87mm
4P: A=304mm (11.97 inches)
H2=174.5mm,H3=111.5mm,J=93.5mm,J1=190.5mm,K=95mm,Y=24.5mm
4. Front operation switch - SIRCO 400A (SC400)
3P: A=280mm (11.02 inches), B=320mm, C=140mm (5.51 inches)
H=230mm (9.05 inches), H1=138mm (5.43 inches), H2=220mm (8.66 inches), J=255mm (10.04 inches)
K=175mm (6.88 inches), Y=28.5mm (1.12 inches)
5. Side operation switch - SCV60SO/100SO (size)
60A 3P:A=138.5mm,B=149mm,C=99mm,H2=38mm,J=133.5mm,J1=66.5mm,Y=24.5mm
60A 4P:A=176.5mm
100A 3P:A=180mm, others similar
200A 3P:A=240.5mm,B=206.5mm,C=87mm,H2=174.5mm,H3=111.5mm,J=113.5mm,J1=190.5mm
6. Minimum distance from backboard to cabinet door (when using shaft extension)
When using external operating handles and extension shafts, it is necessary to ensure that the distance between the switch mounting plate and the inner wall of the cabinet door is not less than the values in the table below, otherwise the shaft cannot be connected correctly.
Switch model minimum distance h (inches/mm) Applicable handle type
SIRCO V 30A 4.14/105 M type
SIRCO V 30A 4.53/115 Type D
SIRCO V 30A 3.74/95 G type
SIRCO V 60-100A 4.73/120 Type D
SIRCO V 200A 4.33/110 Type D
SIRCO 400-600A 8.35/212 H-type
SIRCO 800-1200A 8.35/212 H-type
Axis trimming length: Depending on the actual thickness and installation distance of the door panel, it may be necessary to cut the axis. Please refer to the "Shaft Trimming Length" chart in the product manual for specific dimensions.
On site installation and common problem troubleshooting
1. Overview of installation steps
Cabinet opening: Make openings on the cabinet door according to the installation template (NEMA standard) of the selected handle.
Fixed switch body: Use M4 or M5 screws to fix the switch on the back panel, paying attention to keeping it horizontal.
Install shaft (if applicable): Insert the shaft into the switch operation shaft hole and secure it with a top screw. The length of the shaft needs to be trimmed according to the depth of the cabinet.
Install handle: Install the handle base on the outside of the cabinet door, insert the other end of the shaft into the handle, and lock it.
Wiring: Connect the main circuit wires (note the terminal torque requirements). Connect the auxiliary contact signal line.
Grounding: Ensure that the metal base of the switch is reliably grounded.
Function test: Manually operate the handle to open and close the switch, confirm that the contact action is smooth, and the auxiliary contact signal is correct.
2. Common faults and solutions
Troubleshooting steps for possible causes of fault phenomena
The handle cannot rotate or the shaft is stuck and stuck, causing it to become stuck; Axis and handle are not aligned; Check if the internal mechanism of the switch is damaged and if the shaft is pressed against the switch housing; Loosen the handle fixing screw and reposition it; After disconnecting the power, manually operate the switch body (remove the shaft) to determine
After closing, the load still has no power and the main contact is not closed; Loose terminals; Poor wire crimping measurement switch inlet and outlet voltage; Check the torque of terminal screws; Check if the visible blade (below 400A) is fully engaged
The padlock cannot be inserted into the handle. The handle is not in the disconnected position; Confirm that the padlock hole is blocked and the handle is in the OFF position; Clean the hanging lock hole; Check if the handle model supports padlocks
The auxiliary contact signal is abnormal, and the contact block is not installed properly; Wiring error; Contact burnout and reinstallation of auxiliary contacts; Measure the normally open/normally closed state with a multimeter; Replace the contact block
The handle can release the function failure and release the deformation of the lever; Check if the release lever is bent when the door panel is not closed properly; Ensure that the cabinet door is completely closed before operation (for non removable types, the handle should automatically disengage when the door is opened)
3. Maintenance suggestions
Check the terminal connections every six months and tighten them again.
For dusty environments, regularly clean the inside of the switch (after power off).
After every 1000 movements of the operating handle, check the fastening screws between the shaft and the handle.
If visible burn marks are found on the blade, the load properties should be evaluated and consideration should be given to upgrading the switch capacity.
Selection Summary and Quick Reference
Step 1: Determine the current and number of poles
Calculate the load current and reserve a 20% margin. Select the corresponding rated value (30,6010020040060080010001200A).
Do you need neutral line switching? If necessary, choose 4 poles.
Step 2: Select the operation mode
Front operation of cabinet door: Select SC or SCV series front operation switch.
Cabinet side or limited space: Choose the SCV SO series side operation switch.
Step 3: Select the controller type
Front operation: Select the HHPB series based on NEMA protection level, whether it can be removed, and color; And determine the axis length.
Side operation: Select the flange handle HAFC (with cable) and HAF1/HAF2 handle head.
Step 4: Select attachments
Terminal block kit (TLxxx)
Auxiliary contacts (AC3/AC4/AC5/AC6)
Padlock device (SWL01) (if switch body locking is required)
Step 5: Verify dimensions
Confirm the installation hole distance of the switch body and the minimum distance from the back panel to the door.
Through the above systematic selection process, engineers can efficiently complete the configuration of SIRCO isolation switches, ensuring the safety, reliability, and compliance with specifications of the distribution system. When encountering difficult problems, it is recommended to contact the original factory technical support and provide switch models and on-site photos to obtain the fastest solution.
