Module redundancy rules:
Redundant FBM/FCM should be installed in adjacent odd/even slot pairs (such as positions 1-2 and 3-4);
Non redundant FCM needs to occupy a pair of slots (adjacent slots are vacant);
FCP/FDC/FEM/FBI redundancy requires the use of a dedicated 2-digit substrate.
Online Expansion:
The system needs to have A/B redundant buses and split the bus signals through a "fieldbus splitter/terminator" (such as RH926KW);
When adding a new substrate, there is no need to interrupt the system operation, only the redundant cables need to be connected to the power supply.
(3) Signal and Communication Specifications
Specification category parameter details
Fieldbus type -200 Series module: 2 Mbps HDLC redundant serial bus (shielded twisted pair);
-100 Series module: 268 Kbps bus (dual axis cable)
Maximum communication distance -200 Series FBM (FBI200): 305 m (2 Mbps);
- 100 Series FBM(FBI200):1830 m(268 Kbps);
-FCP280 directly connected to 100 Series FBM: 915 meters
Time synchronization supports optional GPS time synchronization input (requires splitter/terminator, such as RH924ZQ(FCP280)、RH926KZ(FCM100E/FCP270))
The bus cable between signal isolation substrates is shielded twisted pair to reduce electromagnetic interference (EMI)

Detailed explanation of technical specifications
(1) Electrical and Environmental Specifications
Specification category parameter details
Power requirements - Input voltage: 24 V DC (redundant);
-Cable length: 0.4 m (16 inches) to 2.1 m (7 feet)
Environmental adaptability (working) - Temperature: -20~+60 ° C (-4~+140 ° F);
-Humidity: 5% to 95% (without condensation);
-Altitude: -300 to+3000 meters;
-Pollution level: G3 level (harsh environment, compliant with ISA S71.04)
Environmental adaptability (storage) - Temperature: -40~+70 ° C (-40~+158 ° F);
-Altitude: -300 to+12000 meters
Compliance Certification - EMC: Compliant with EN61326:2013 Class A emission/industrial immunity (EU Directive 2014/30/EU);
-Safety: UL/UL-C Class I Div 2 (Groups A-D, T4)、ATEX Ex nA IIC T4 Gc;
-Classification: ABS/French BV certification (EC31, except for some models);
-Environmental Protection: Compliant with RoHS 2011/65/EU (non RoHS model labeling)
(2) Physical and installation specifications
Specification category parameter details
Installation method - DIN rail: compatible with horizontal/vertical installation (keeping the substrate in a horizontal position);
-Cabinet installation: 19 inch rack (requires P0930AS installation kit, depth 25.4mm)
Weight (excluding modules) -2-position substrate: approximately 0.5 kg (1.1 lb);
-8-bit substrate: maximum 0.91 kg (2.0 lb)
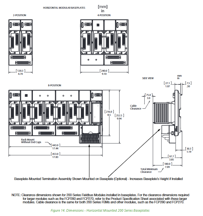
Key dimensions (example) -2-digit vertical substrate: height 120.3 mm, width 240.0 mm;
-8-bit horizontal substrate: length 453.0 mm, height 216.0 mm (including optional terminal components)
Materials and Protection - Shell: PC+ABS (UL94 V0 flame retardant);
-Rail fasteners: made of steel (quantity varies with substrate size);
-Color: Black

Key points for installation and maintenance
(1) Module installation rules
Redundant module layout:
Redundant FBM/FCM needs to occupy adjacent odd/even slot pairs (such as 1-2, 3-4 bits);
FCP/FDC/FEM/FBI redundancy requires the use of a dedicated 2-position substrate and cannot be mixed with other modules.
Non redundant module limitation:
Non redundant FCM needs to occupy a pair of slots (adjacent slots are vacant);
FBM can be installed in any vacant slot (matching substrate support type).
(2) Key accessories and connections
Accessory type, function, typical model
Fieldbus splitter/terminator - Termination bus signal: RH916RB (replacing P0916RB);
-Split A/B bus+time synchronization: RH926KW (non FCP280), RH924ZJ (FCP280 port 1);
-Connect 100 Series FBM: RH926LC (replacing P0926LC) RH916RB, RH926KW, RH928CV (FCP280 extension)
Connect the power cable between the FPS series power supply (such as FPS480-24) and the substrate:
- RH100DZ(0.6 m)、RH100EA(1.0 m) RH100DZ、RH100EA、RH100EB(2.1 m)
Substrate installation kit 19 inch rack installation: including bracket and fasteners P0930AS
(3) Maintain convenience
Hot swappable support: FCP, FEM, FCM, FBI, FBM can all be plugged and unplugged online without disconnecting field cables, power supplies, or communication buses;
Fault diagnosis: Clearly labeled connector functions (power/fieldbus/I/O) on the substrate, combined with module LED indicator lights (such as power and communication status), can quickly locate faults;
Online expansion: Under the redundant bus architecture, when adding FBM support substrates, only A/B bus splitters need to be connected without shutting down.
Related reference documents and support
Document type Document number/name Core purpose
Subsystem Overview PSS 31H-2SOV (Standard 200 Series), PSS 31H-2COV (Compact 200 Series) System Architecture and Substrate Matching Rules
Module specifications PSS 31H-1FCP280 (FCP280), PSS 31H-2FDC280 (FDC280) module and substrate adaptation details
User Guide B0400FA (Standard and Compact 200 Series Subsystem User's Guide) Installation, Wiring, and Troubleshooting Steps
Substrate configuration for hazardous area applications of PSS 31H-2Y12 (ISTA-BP Intrinsic Safety Terminal Substrate) related to intrinsic safety
Email:wang@kongjiangauto.com