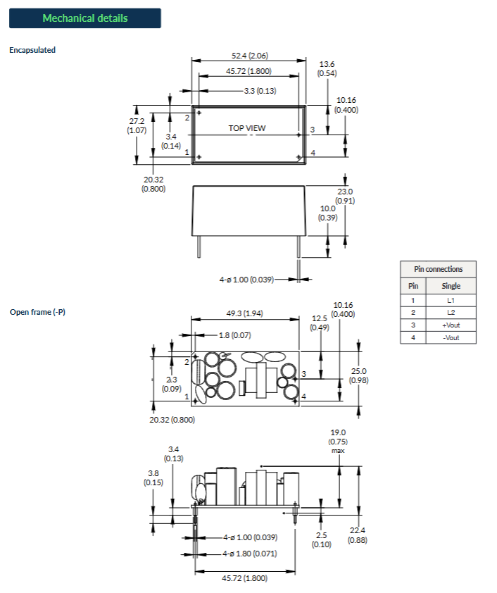
The EHL05 series of PCB mount single output power supplies deliver 5W of power and offer single output voltages ranging from 3.3V to 48VDC. The EHL05 series is available in both open-frame and encapsulated mechanical formats. These high power-density power supplies feature a wide 85 to 528VAC input, specifically designed for phase-to-phase operation in a 480VAC system.
The EHL05 series also offers OVC III compliance, Class II construction, worldwide industrial and household safety approvals, making it suitable for a wide range of industrial applications and control systems in commercial and residential buildings.
Features
Phase to neutral or phase to phase operation Overvoltage category III Wide 85 to 528VAC input range Single voltage outputs from 3.3V to 48VDC Encapsulated or open-frame formats IEC Class II construction Industrial and household safety approvals -40°C to +80°C operating temperature 3 year warranty
Model and rated value (5W)
Model, output voltage, output current, efficiency (typical)
EHL05US03,3.3VDC,1.52A,75%
EHL05US05,5.0VDC,1.00A,80%
EHL05US09,9.0VDC,0.56A,83%
EHL05US12,12.0VDC,0.42A,83%
EHL05US15,15.0VDC,0.33A,83%
EHL05US24,24.0VDC,0.21A,84%
EHL05US48,48.0VDC,0.105A,85%

Detailed technical specifications
input characteristics
Input voltage range: minimum 85VAC, maximum 528VAC.
Input frequency: 47 Hz to 63 Hz.
No load input power: typical value 0.3W.
Surge current: Maximum 40A during 230VAC cold start.
Input protection: requires an external 2.0A/600V fuse.
Output characteristic
Output voltage range: 3.3VDC to 48VDC.
Minimum load: No maximum load current (0A) is required.
Hold Up Time: Typical value of 14ms at 115VAC full load.
Ripple&Noise:
3.3-9VDC model: maximum 50mV peak pole.
Other models: Maximum 0.5% peak - highest.
Protection function: It has automatic recovery overvoltage protection (115%~140% Vnom) and short-circuit protection (trip&restart, i.e. alarm mode).
General Characteristics
Isolation (input to output): 4000VAC2626.
MTBF: The typical value is 600 khrs (according to MIL-HDBK-217F,+25 ° C UK) 2727.
Weight: Open frame (- P): 23.0g (0.051lbs)
Sealed version: 70.0g (0.154lbs)
Environmental and Institutional Certification
Cooling method: Convection cooled.
Humidity: 95% RH (non condensing).
Security certification:
ITE (Information Technology Equipment): CB (IEC62368-1) and UL (UL62368-1, EN62368-1).
Domestic: TUV (EN60335-1)
Compliance: CE and UKCA markings
Typical application scenarios
The EHL05 series power supply inherits OVC III compliance and extensive safety certifications, making it highly suitable for control systems in various industrial applications and commercial/residential buildings.
Industrial applications: Robotics technology.
Control system: Security system.
Power system: Key power source applications.

Email:wang@kongjiangauto.com