Product basic information
1. Product model
Covering sub models such as QFM3100 (basic version), QFM3160 (with display), QFM3171D (4-20mA output), etc., collectively referred to as the QFM31xx series, it provides high-precision measurement of air duct temperature and humidity.
2. Application scenarios
Sensors are suitable for ventilation and air conditioning systems with high requirements for temperature and humidity accuracy and response speed. Typical installation scenarios include:
Industrial scenarios: storage and production workshops in paper mills, textile factories, pharmaceutical factories, food factories, and electronic factories;
Special venues: laboratories, hospitals, computer data centers, indoor swimming pools, greenhouses;
Functional roles: Air supply/return control sensor, humidity limit sensor after steam humidifier, building automation system (BAS) access sensor.
Core technical characteristics of the product
1. Power supply and signal output
Category parameter content, key data
Supply voltage AC/DC dual compatible 24 Vac (± 20%, 50/60Hz); 13.5-35 Vdc
Low power consumption design<1 VA
Humidity output with two signal types: 0-10 Vdc (corresponding to 0-100% RH, maximum current 1mA); 4-20 mA (corresponding to 0-100% RH)
The temperature output range can be selected from 0-10 Vdc/4-20 mA, and the range can be selected through jumper wires (see Table 2)
Cable lengths are classified by wire diameter as 24 AWG (50m), 18 AWG (150m), and 16 AWG (300m)
2. Measurement performance (accuracy and response)
Measurement Type Accuracy Index Response Characteristics Remarks
± 2% RH at relative humidity of 23 ℃; temperature coefficient<0.05% RH/℃ Time constant of about 20s (in flowing air) Effective measurement range 0-95% RH (0-9.5V/4-19.2mA linear)
± 0.8 ℃ at a temperature of 15-35 ℃; -The time constant of ± 1.0 ℃ at 40-15 ℃/35-70 ℃ is about 20 seconds (in flowing air). The sensing element is NTC 10K Ω
3. Protection and environmental adaptability
Protection level: IP65 (NEMA 4), dustproof and water-resistant, suitable for humid air duct environments;
Work environment: Adapt to the air temperature inside the duct (consistent with the selected temperature range), humidity 0-100% RH;
Material compatibility: The shell is made of polycarbonate (impact resistant), the filter cap is made of the same material, and the overall silicon free design avoids polluting sensitive environments (such as electronic factories).

Mechanical Design and Installation Specification
1. Mechanical structure
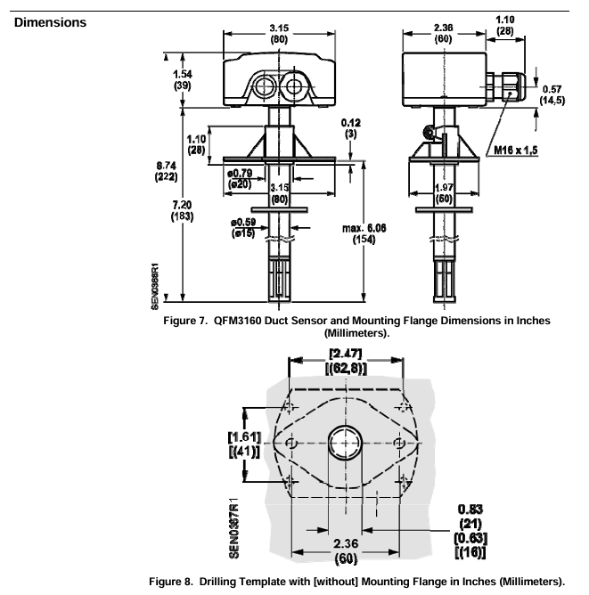
Overall composition: consisting of a housing (base+detachable cover plate), a printed circuit board (PCB), wiring terminals, mounting flanges, and an immersion probe (including sensing elements and filter caps);
Shell design:
Base: Integrated wiring terminal and conduit clamping system (fixing flexible conduit), color RAL 7001 (silver gray);
Cover plate: Built in measurement circuit and jumper (range configuration), color RAL 7035 (light gray), fixed with screws;
Probe: Made of polycarbonate material (RAL 7001), the end sensing element is protected by a filter cap to prevent dust contamination.
2. Installation method and requirements
Key requirements for installation method and operation steps
Install flange (recommended) 1. Assemble the flange with the sensor; 2. Fix the flange to the air duct according to the required immersion length; 3. Insert the sensor and tighten it to adjust the immersion length as needed. The flange material is PA66 (black)
No installation flange 1. Use 4 mounting holes on the shell; 2. Directly screw the sensor onto the air duct using the maximum immersion length to ensure measurement representativeness
Special scenario (dew point offset) 1. Only fix the flange to the air duct wall; 2. Insert the sensor from the flange and clamp it tightly. It must be installed in the return air duct to avoid measurement deviation
Installation taboos:
Avoid probe impact: Sensing components are easily damaged by impact and should be handled gently during installation;
Distance between steam humidifiers: The minimum distance from the humidifier should be ≥ 3m (recommended ≤ 10m) to prevent sudden humidity changes from affecting accuracy;
Sealing protection: It is forbidden to remove the seal between the shell and the cover plate to prevent water vapor from entering and damaging the circuit.
Parameter configuration and debugging
1. Jumper configuration (on PCB, under cover)
The jumper has 6 pins and 1 jumper cap, which is used to select temperature range, display unit, and activate testing functions. The specific configuration is as follows:
Configure the parameters corresponding to the jumper position of the configuration function
Temperature range selection left (1) -31 ° F~95 ° F (-35 ℃~35 ℃)
Right position (3) -40 ° F~158 ° F (-40 ℃~70 ℃)
Display unit selection (with LCD model) vertical right position Celsius (℃, factory default)
Vertical left Fahrenheit (℉)
Test function activation level signal output specific values (such as 0V/10V, 4mA/20mA) for troubleshooting
2. Debugging steps
Wiring inspection: Confirm that the power and signal lines are connected correctly (refer to the terminal definition in Figure 2-6, for example, QFM3171 needs to ensure that G1/I1 is powered on, even if only temperature output is used);
Range configuration: According to on-site requirements, set the temperature range and display unit through jumper wires;
Power on verification: Connect the power supply and check if the output signal (humidity 0-10V/4-20mA, temperature corresponding range signal) is normal. For models with LCD, it is necessary to confirm the alternating display of temperature and humidity (5-second interval).

Fault diagnosis and spare parts
1. Fault diagnosis (output characteristics when sensor failure occurs)
Fault type: Humidity signal output (U1/I1) Temperature signal output (U2/I2) Remarks
Temperature sensor fault rises to 10V (0-10V output) or corresponding 20mA (4-20mA output) drops to 0V (0-10V output) or corresponding 4mA (4-20mA output). The fault is immediately triggered
The humidity sensor malfunctions for 60 seconds and then rises to 10V/20mA to maintain normal output with a delay of 60 seconds, making it easier for the system to identify
2. Spare parts list (for replacement)
Spare part model, spare part name, and purpose
The AQF3101 filter cap protects the sensing elements inside the probe, preventing dust from entering
Replace damaged temperature and humidity sensing components with AQF3150 sensing head
74 662 01040 1/2 inch rigid conduit adapter for connecting conduit to sensor base
Compliance and physical specifications
1. Certification and Standards
Compliance Directive: Complies with EMC Directive 2004/108/EC (Electromagnetic Compatibility) and AS/NZS 3548 (Radio Interference Emission Framework Standard);
Electrical specifications: The power supply requires the use of a Class II transformer (independent winding, 100% duty cycle), and the selection should consider sensor power consumption and local electrical regulations.
2. Physical specifications
Project specification parameters
Material base/probe: polycarbonate (RAL 7001); Cover plate: polycarbonate (RAL 7035); Flange: PA66 (black)
Protection level IP65 (NEMA 4)
Weight (including packaging) without LCD display: 7.34 ounces (0.208kg); With LCD display: 23.49 ounces (0.666kg)
The wiring terminal is compatible with 14 AWG (1 way) or 16 AWG (2 ways) wires
Engineering precautions
Power selection: Class II transformers must be used with independent winding design to ensure safe isolation;
Cable selection: Shielded twisted pair cables are required for EMC interference environments, and secondary power lines and signal lines need to be twisted to reduce interference;
Wiring specifications: Avoid long-distance parallel laying of cables (too small spacing can easily cause interference), strictly follow the allowed cable length (distinguished by wire diameter);
Maintenance requirements: Regularly check the cleanliness of the filter cap (contamination can affect response speed), and replace it promptly if it is damaged.

Email:wang@kongjiangauto.com