RELIANCE ELECTRIC INVERTRON DBU dynamic braking unit: precise control of braking energy to ensure stable operation of the drive system
In industrial variable frequency drive systems, processes such as rapid deceleration of the motor, lowering of potential loads (such as lifting heavy objects from a crane), or stopping of a centrifuge will cause the motor to operate in a generating state, converting mechanical energy into electrical energy and feeding it back to the DC bus of the frequency converter. If this regenerated energy cannot be consumed in a timely manner, it will cause a sharp increase in DC bus voltage, threaten the safety of power devices, trigger overvoltage faults (such as the "HU" fault of GV3000), or force the frequency converter to automatically extend the deceleration time. The Dynamic Braking Unit (DBU) is a key component designed to address this issue. The INVERTRON DBU series guides excess DC bus energy to external braking resistors through intelligent control, safely dissipating it in the form of thermal energy to ensure the stability and reliability of the drive system during four quadrant operation. This article will comprehensively analyze the working principle, technical details, selection calculation, installation points, and advanced diagnostic functions of DBU.
The core function and working principle of DBU
A frequency converter with a diode rectifier bridge can only transmit energy unidirectionally on its DC bus, making the system essentially operate in two quadrants (forward and reverse electric). When the motor is in regenerative braking mode, energy cannot be fed back to the grid and can only accumulate in the DC bus capacitor, resulting in a voltage rise.
The core of DBU is an IGBT (Insulated Gate Bipolar Transistor) switching circuit controlled by an intelligent gate driver. It monitors the DC bus voltage (UDC) in real-time. When the UDC exceeds the preset "on" threshold (such as approximately DC 750V when set to 460V line voltage), the internal regulator of the DBU (initially a BUA type hysteresis regulator, later upgraded to a BUC type PWM regulator) will drive the IGBT to conduct at high frequency (BUC is 1kHz), connecting the DC bus to the external braking resistor. The braking resistor consumes energy, causing a decrease in UDC. When UDC is below the "turn off" threshold (such as DC 720V), IGBT turns off and stops consuming energy. Through this "switch" or "PWM" control, the DBU maintains the bus voltage within a safe range, allowing the inverter to quickly stop according to the set deceleration slope or stably control the potential load.
INVERTRON DBU offers four power levels and two configurations:
Basic models: DBU-50 (37kW), DBU-100 (75kW), DBU-200 (150kW)
Built in diagnostic card types: DBU-50-DIS, DBU-100-DIS, DBU-200-DIS
High power type (standard built-in diagnostic): DBU-400 (300kW)
Analysis of Key Specifications and Technical Parameters
Choosing and applying DBU requires a thorough understanding of its electrical and mechanical parameters.
Electrical specifications:
Maximum braking current (Imax): From 50A for DBU-50 to 400A for DBU-400, it defines the peak processing capability of the unit.
Minimum value of braking resistance: To ensure that the IGBT inside the DBU does not overcurrent, a resistor with a resistance value not less than the specified value must be used. The resistance value varies depending on the line voltage jumper setting (415V or 460V). For example, DBU-100 requires a resistance of ≥ 7.2 Ω at 460V.
Braking power:
Continuous braking power: The power that can be continuously consumed for a long time under a 460V bus voltage (such as 18kW for DBU-100).
Short term braking power: The peak power allowed to be processed in a short period of time (such as 75kW for DBU-100 at 460V). This corresponds to the power at which the maximum current Imax flows through the minimum allowable resistance.
Allowable load characteristics: To prevent thermal overload, the load of DBU during a 10 minute cycle must be limited within the current time area of "Imax x x 2.5 minutes". DBU-400 allows 400A current to last for 110 seconds/10 minutes.
Line voltage selection (key setting): The blue jumper plug (position: 460V/415V) on the regulator card under the DBU cover plate is crucial. It determines the operating voltage threshold of DBU.
Factory default: For safety reasons, set to 460V (corresponding to UDC activation point~750V).
415V system: Used for GV3000 frequency converters with line voltage ≤ 415V, or INVERTRON VTI/VCI/VGI 415V type (with a maximum allowable bus voltage of DC 720V), the jumper must be changed to 415V (corresponding to UDC turn-on point~680V).
The consequences of incorrect settings: Using 460V settings in a 415V system can cause the DBU to act too late, and the bus voltage may have triggered the inverter overvoltage fault before reaching 750V.
Environment and Machinery: Operating temperature range of 0-40 ° C (rated below 40 ° C), protection level IP20. During installation, it is necessary to ensure that the heat sink is vertical and there is at least 100mm space above and below for natural air convection (DBU-400 with fan, requires forced air cooling, air volume 158m ³/h).

Installation, Connection, and Protection: Details Determine Safety
Proper installation and wiring are the cornerstone of reliable DBU operation.
Short circuit protection: If the freewheeling diode inside the DBU is damaged, the DC bus capacitor of the inverter may discharge to the DBU. Therefore, quick fuses (aR type, 660V) must be installed on the DC+(terminals 45-45) and DC - (terminals 47-47) connection lines between the frequency converter and DBU. The manual provides a detailed list of fuse and fuse holder models (e.g. DBU-100 requires 100A fuse).
Wiring specifications and inductance control:
Inverter to DBU connection: IGBT switch action will generate instantaneous voltage spikes (Δ U) on the inductance of the connection line. To ensure that Δ U does not exceed 200V (damped by the internal RC absorption circuit of DBU), this distance must be shortened as much as possible. For single machine drives, the total cable length must not exceed 1.5 meters (DBU-200/-400 is particularly strict). The wires should be twisted together or shielded multi-core cables should be used to reduce inductance.
Connection from DBU to braking resistor: The time constant τ=L/R formed by the inductance (L) and resistance value (R) of the resistor itself and its connecting wire must be less than 20 μ s. High inductance resistors (such as wound ceramic resistors) or long cables will limit this distance. Heat resistant cables (≥ 90 ° C) should be used, and the appropriate cross-sectional area should be selected based on the root mean square braking current.
Grounding and shielding: The armor layer of all shielded cables must be reliably grounded at both ends through appropriate EMC cable joints to form a continuous grounding path, which is crucial for meeting CE/EMC requirements.
Additional protection for braking resistor: The thermal switch on the DBU heat sink only monitors the IGBT temperature. If the DBU fails (such as IGBT through), the rectified AC power will be directly applied to the braking resistor, and the IGBT will not generate heat, making it impossible for the thermal switch to detect. Therefore, it is strongly recommended to install an independent thermal switch on the brake resistor radiator and connect its contacts in series with the thermal switch contacts of the DBU to achieve dual protection. Another solution is to use the switch output of the optional diagnostic card BUD for monitoring.
System Design: Braking Power and Resistance Calculation
Reasonable selection of DBU and braking resistor requires precise calculation.
Calculate the required braking power P:
P [kW] = (J * Δn * n) / (91200 * tB)
Among them, J is the total inertia (kg · m ²), n is the starting speed (rpm), Δ n is the speed change (rpm), and tB is the braking time (s). During linear deceleration, the initial braking power is the highest, and this peak power is the key basis for selection.
Calculate the minimum value of braking resistance Rmin:
For 380/415V systems: R=439/P [kW]
For the 460V system: R=534/P [kW]
The selected actual resistance value should be greater than or equal to Rmin, while considering the influence of resistance on the duty cycle of DBU, and the duty cycle should be as high as possible at the maximum braking power.
Provide complete specifications to the resistor supplier, including resistance value, maximum braking power/current and duty cycle, average power and duty cycle, braking time and cooling time, maximum DC bus voltage (800V), and L/R time constant of the resistor.
Example: A roller conveyor driven by 20 2.5kW motors, with a total power of 50kW, needs to brake within 1.8 seconds. Calculated to require 50kW braking power, with a resistance value of R=534/50 ≈ 10.7 Ω, select 10 Ω. Corresponding to a short-term power of 75kW, DBU-100 (75kW) is selected. The specifications of the braking resistor are: 10 Ω, 50kW, 1.8s braking, 28s cooling, and 800V withstand voltage.
BUD diagnostic card: status monitoring and intelligent feedback
For the DBU xx DIS model and all DBU-400 models, a powerful BUD diagnostic card is built-in, which works independently of the DBU main regulator and provides multiple monitoring:
Status indication: Two LEDs respectively indicate "DC bus voltage>50V" and "braking current>0".
Switch output S1-2: a transistor switch that provides a unique logic state:
Closed: When UDC>50V and braking current IB=0 (indicating that the DC bus is charged but in standby or electric mode).
Disconnected: When UDC>50V and IB>0 (braking), or when UDC<50V.
This output can be used to monitor the status of the DC bus and whether the DBU function is normal. It is independent of the frequency converter and is an important safety monitoring point.
Analog output A5-6: Provides a 0-20mA signal proportional to the power consumption P on the braking resistor. The scale depends on the jumper setting, braking resistance value, and current PWM duty cycle. After being powered by an external 24V power supply, this signal can be connected to a PLC or instrument to monitor the level of braking energy consumption in real time, achieving advanced energy management or load analysis.
Safety Compliance and CE Installation Guidelines
As a component covered by the Mechanical Directive and EMC Directive, the integration of DBU must comply with specifications.
Safety first: Only qualified electrical personnel familiar with this type of equipment are allowed to install and operate it. Before operation, it is necessary to understand the manual and disconnect the module only after power is turned off.
The key to meeting CE/EMC requirements is:
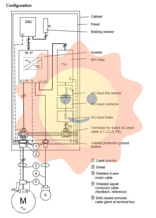
Complete Faraday cage: All drive components (frequency converter, filter, DBU, braking resistor) should be installed in a common metal control cabinet or individually placed in a metal casing. The cabinet or shell should ensure good electrical continuity.
Grounding is the soul: all component protective grounds (PE) must be connected to the power supply incoming PE point without interruption through yellow and green wires. A common grounding copper bar should be installed inside the cabinet.
Shielding and wiring:
All external power cables (such as DBU to resistors) must use shielded cables or separate metal tubes.
Signal and control cables must use shielded cables, with both ends of the shielding layer grounded.
The motor cable should be a four core shielded cable with a three-phase grounding wire.
Use cable connectors that have undergone EMC testing to ensure that the shielding layer has a 360 ° large-area contact.
Installation details: Components should be installed on unpainted conductive mounting plates to maximize contact area. It is recommended that the diameter of the ventilation hole should not exceed 6mm. The distance between the braking resistor and the housing should be at least 100mm.
