The control signal line should be twisted pair and laid separately from the power cable.
4.2 UL Installation Requirements
Only applicable to equipment marked with UL logo;
Use 60/75 ℃ copper cables;
The maximum short-circuit current and rated value of the fuse at the installation point must comply with the specifications in the manual table (such as MKS51A series fuses not exceeding 30 A/600 V).
Startup and parameter settings
5.1 Initial setup steps
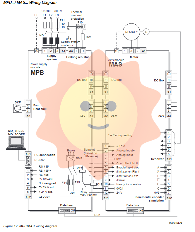
Connect PC and controller through RS-232 or RS-485 interface;
Set unique addresses (0-59) for each axis module to avoid address conflicts;
Install and configure the MD_SHELL software, select the corresponding communication interface and address.
5.2 Key parameter initialization
The "Start" function of MD_SHELL can automatically calculate the parameters of the speed controller, which requires inputting:
Motor model, rated voltage, rated speed;
Load inertia (converted to motor shaft);
Speed loop damping (recommended 1.0) and stiffness (recommended 0.8-1.2);
Braking characteristics, ramp time, etc.
5.3 Terminal Function Programming
In the factory default settings, X21.7 and X21.8 have limit switch inputs. If there is no external limit, it needs to be programmed for other functions or bridged to+24 V, otherwise it will trigger F27 fault.
Operation, status indication and fault handling
6.1 Status Display
Power module LED: green "ON" indicates ready, "24 V" indicates normal power supply, and red "TRIP" indicates fault;
Axis module/compact controller 7-segment digital display: displays operating status and fault codes (such as "F" flashing+digits).
6.2 Reset Method
Power off and restart;
Send a reset signal through binary input;
Automatic reset (P630 needs to be set);
Press the S1 button on the axis module (to be enabled in P634).
6.3 Common faults and solutions
Possible causes and suggestions for handling fault codes
F01 output overcurrent, short circuit or grounding fault inspection motor cable, insulation, replace module
F07 DC bus overvoltage check brake resistor connection and specifications, extend deceleration ramp
F08 speed monitoring out of tolerance inspection load, motor phase, encoder wiring
F14 encoder fault inspection encoder cable, shielding and wiring
F27 limit signal missing check wiring or reprogram terminals
Attention: After the fault is reset, the incremental encoder simulation will also reset, and the position information needs to be recalibrated.
Overview of Technical Data
Environmental conditions: operating temperature 0-45 ℃ (with a 3% derating per K when above 45 ℃), storage temperature -25-+70 ℃, protection level IP20;
Power input: 3 × 380-500 VAC ± 10%, 50/60 Hz;
Communication interface: RS-485 supports networking up to 32 devices, with a maximum cable length of 200 meters;
Module power consumption and size: Please refer to the table in Chapter 8 of the manual for details. It is necessary to select a heat sink and filter based on the specific model.
Maintenance and Service Suggestions
Regularly clean the surface of the radiator to ensure smooth ventilation;
When stored for a long time, power on for at least 5 minutes every two years to maintain capacitor performance;
If the fault cannot be resolved, please contact the SEW electronic service department and provide the code, fault symptoms, and relevant contextual information on the device service label.
