Basic information of the document
Applicable models: 200V level (single-phase input 0.1-4.0kW, three-phase input 0.1-18.5kW), 400V level (three-phase input 0.37-18.5kW) CIMR-V series frequency converters.
Core purpose: To guide users in correctly installing, operating, and debugging frequency converters, ensuring safe and stable operation of the equipment.
Copyright and Revision: First published in 2007, latest revised in December 2016, including updates to safety standards, functional supplements, and more.
Key content of core chapters
1. Safety instructions and warnings
Risk classification: Clearly define three types of warnings: Warning (fatal/serious injury), CAUTION (minor/moderate injury), and NOTICE (equipment damage).
Core taboos: Do not modify equipment, touch terminals before discharge, and operate by non professionals; Strict adherence to grounding regulations is required (leakage current exceeding 3.5mA, grounding conductor cross-section ≥ 10mm ² (copper)/16mm ² (aluminum)).
Special risk: During the rotation self-tuning period, the motor may suddenly start, and after power failure, it is necessary to wait for the capacitor to fully discharge (at least 5 minutes).
2. Mechanical installation
Environmental requirements: Indoor installation, temperature -10~+50 ℃ (adjusted according to protection level), humidity ≤ 95%, no condensation, no dust, oil pollution, vibration and other interference.
Installation specifications: Vertical installation is required to ensure heat dissipation, and 30mm (on both sides) and 100mm (up and down) heat dissipation space should be reserved around the equipment.
Acceptance and verification: After receiving the goods, check that the equipment is not damaged and verify the nameplate to confirm that the model is correct.

3. Electrical installation
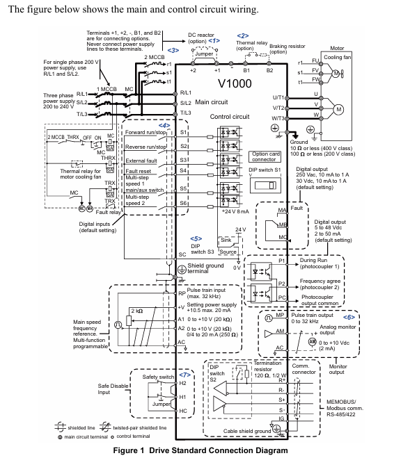
Wiring specifications: The main circuit power supply is connected to R/L1, S/L2, T/L3 (only R/L1, S/L2 are used for single-phase), the motor is connected to U/T1, V/T2, W/T3, and it is forbidden to connect the power supply to the output terminal.
Cable requirements: The control circuit should use shielded twisted pair cables to avoid mixing with the main circuit cables; The specifications of the main circuit cables need to match the model (such as 2.5mm ², 6mm ², etc.).
EMC compliance: A designated EMC filter must be installed on the input side, and the grounding surface must be repainted to ensure low impedance.
4. Keyboard operation and startup debugging
Keyboard functions: including RUN/STOP start and stop keys, parameter setting keys, mode switching keys (LOCAL/REMOTE), LED indicator lights to display running status, faults, and other information.
Start up process: Install wiring → Power on → Select control mode (V/f, open-loop vector, etc.) → Set load type (standard/heavy load) → Motor self-tuning (or manually input motor parameters) → I/O configuration → Trial operation → Load operation.
Mode selection: V/f control is suitable for multi motor drive, open-loop vector control is suitable for high-precision speed regulation, and open-loop vector control of permanent magnet motor focuses on energy saving.
5. Key parameters and troubleshooting
Core parameters: including frequency reference (b1-01), acceleration and deceleration time (C1-01/C1-02), motor rated current (E2-01), overload protection (L1-01), etc.
Troubleshooting: List common faults (such as overcurrent, overvoltage, overload) and their corresponding causes and solutions, including troubleshooting methods for programming errors (oPE series) and self-tuning errors (Er series).
Safety disable function: Compliant with SIL2/PL safety standards, controlled through HC and H1 terminals, the motor torque is cut off within 1ms when disconnected, requiring professional personnel to wire and debug.
6. UL/cUL compliance requirements
Installation restrictions: Pollution level ≤ 2, ambient temperature -10~+50 ℃ (depending on protection level).
Wiring specification: Use UL certified copper wire, and the terminal tightening torque must comply with the standard (such as 0.8-1.0N · m for M3.5 terminals).
Protection configuration: The input side needs to be equipped with a specified type of fuse (such as Class J/T/CC), and the motor overload protection is set through parameters E2-01 and L1-01.
Precautions for use
Operators must possess professional qualifications and strictly adhere to the safety regulations outlined in the manual.
The equipment needs regular inspection and maintenance, with daily safety function checks. It is recommended to replace it after 10 years of use.
When the safety disable function is not used, the HC and H1 terminals must be kept short circuited; Modifying the equipment will result in the expiration of the warranty.

Email:wang@kongjiangauto.com