Introduction: A New Generation Solution for Intelligent Motor Protection
In the field of industrial automation, as the core power equipment, the reliable operation of motors is directly related to production efficiency and equipment safety. The Eaton MP-3000 motor protection relay is an advanced microprocessor-based protection device designed specifically for three-phase motors of various specifications and voltage levels, providing comprehensive protection for both induction and synchronous motors.
As a direct replacement for the previous generation Westinghouse/Butler Hammer IQ 1000 II, the MP-3000 not only maintains the same installation holes and wiring configuration, but also introduces multiple innovative features, including Intel-I-Trip intelligent overload protection, adaptive thermal modeling, enhanced communication capabilities, and optional quick plug drawer structure. This article is based on the official technical manual IM02602002E, providing a comprehensive analysis of the technical characteristics, protection functions, parameter settings, installation wiring, and application points of MP-3000.
Chapter 1 Product Overview and Core Features
1.1 Product positioning
The MP-3000 motor protection relay is an advanced motor management device launched by Eaton, suitable for:
50/60 Hz three-phase motor
Any power level and voltage level
Induction motor or synchronous motor
Can be equipped with or without RTD (resistance temperature detector)
Usually installed in motor starters or switchgear
1.2 Overview of Main Functions
The MP-3000 provides comprehensive protection, alarm, and control functions, corresponding to the following ANSI device numbers:
protection function
Intel-I-Trip I ² t overload protection (49/51)
Locking protection (49S/51)
Final tripping current (51)
Negative sequence current/phase imbalance and reverse phase protection (46)
Instantaneous overcurrent trip (50)
Ground fault protection (50G)
RTD temperature trip (URTD module required) (49/38)
Underload tripping (37)
Unit time startup limit (66)
Blocked/stuck trip (51R)
Zero speed switch tripped (14)
I ² t automatic or manual reset (86)
Fault safe or non fault safe trip modes are optional
alarm function
ground fault
I ² t overload
Stuck/stuck
Underload
Phase imbalance
RTD temperature (URTD module required)
control function
Switching control of voltage reducing starter
Incomplete sequence detection and tripping
Cold start frequency limit
Unit time startup limit
Minimum startup interval time
Anti reversal delay
Load shedding and recovery based on current process
Long acceleration time characteristic
Motor stop input for synchronous motor and capacitor applications
Remote trip input
Differential trip input
Emergency bypass reset
Modify parameters during motor operation (controllable switching)
Disarmament mode is used for debugging
1.3 Compatibility with IQ 1000 II
MP-3000 has fully considered the compatibility of IQ 1000 II replacement in its design:
Same installation hole size
Similar terminal configuration and wiring methods
Important note: The factory jumper between terminal 6 (remote common) and terminal 9 (discrete input common) of IQ 1000 II must not be installed on MP-3000. Terminal 6 of MP-3000 always provides 120 Vac power supply for wetting remote contacts.
Chapter 2 Technical Specifications
2.1 Power Supply
Parameter specifications
Rated voltage 120 Vac or 240 Vac (+10%, -25%)
Working range: 120 Vac: 90-132 Vac; 240 Vac: 180-264 Vac
Interrupt crossing time 60 Hz: 13 cycles; 50 Hz: 11 cycles
Frequency 60 Hz Rated: 57-63 Hz; 50 Hz Rated: 47-53 Hz
Maximum power consumption 24 VA; URTD: maximum 6 VA; IPONI: maximum 1 VA
2.2 Current input
Parameter specifications
Rated current 1 A or 5 A
CT rated value 2 × I1 continuous
CT burden 50 × I1 for 1 second; <0.25 VA @ 5 A; <0.05 VA @ 1 A
2.3 Measurement accuracy
Parameter accuracy
Phase current accuracy ± 1% I1 (0 to I1); ± 1% reading (I1 to 4 × I1)
Grounding current accuracy ± 1.5% I1 (0 to 55% I1); ± 2% I1 (55% I1 to I1); ± 2% reading (I1 to 4 × I1)
2.4 Discrete Input
Parameter specifications
Quantity: 2 programmable inputs
Rated value 1.2 VA @ 120 Vac
Turn off voltage maximum 36 Vac
The minimum conducting voltage is 86 Vac
2.5 Output contacts
Parameter specifications
Quantity: 4 C-type (1NO+1NC) programmable
Instantaneous capability of 30 A ac/dc, lasting for 0.25 seconds
Breaking capacity 0.25 A @ 250 Vdc (resistive); 5 A @ 120/240 Vac; 5 A @ 30 Vdc
2.6 Analog output
Parameter specifications
Range ± 4 to 20 mA, programmable
Maximum load 1 k Ω
Accuracy 1%
2.7 Environment and Standards
Parameter specifications
Working temperature -20 ° C to+60 ° C
Storage temperature -45 ° C to+85 ° C
Humidity 0 to 95%, no condensation
Certification standards ANSI/IEEE C37.90, UL 1053, EN 50081-2, EN 61000-6-2
Chapter 3 Operating Interface and Display Mode
3.1 Front panel layout
The operation panel of MP-3000 includes the following elements:
Display window: Large LED alphanumeric display screen, which can be viewed clearly from any angle.
Protected button: located inside the protective door in the bottom left corner of the panel, covering two buttons:
Program button: Enter programming mode
Emergency Override button: Reset to start blocking in emergency situations
Mode button: Four mode selection buttons
Monitor: Monitoring mode, displaying real-time data
View Setting: View Setting Mode
History: History mode
Log: Log mode
Navigation buttons: Six buttons with up and down arrows used to navigate between pages, rows, and values.
Help button: Provides scrolling explanations of the current displayed content, including unit information.
Reset button: Reset the trip status and exit the current mode.
3.2 LED indicator lights
There are a total of 10 LED indicator lights on the panel:
LED function
Protection mode indication
Program programming mode indication
Trip trip event indication
Alarm alarm relay activated
Aux 1 auxiliary relay 1 activated
Aux 2 auxiliary relay 2 activated
Monitor monitoring mode activated
View Setting View Setting Mode Activation
History mode activation
Log mode activation
3.3 Default Mode Display
In motor status or default mode, display the basic status of the motor and relay:
Display description
READY-3 motor stopped, 3-phase protection mode ready
READY-1 Warning: Relay set to single-phase test mode
RUN motor is running
START motor is starting
DISARMED Warning: Relay disarmed, unable to trip
ABKSP XX anti reversal activation, XX is the remaining minutes
3.4 Monitoring Mode
Monitoring mode displays real-time data, including:
MONT I page (phasor measurement)
IAMG: A-phase current amplitude
IBMG: B-phase current amplitude
ICMG: C-phase current amplitude
IXMG: Ground current amplitude
IAAG, IBAG, ICAG, IXAG: phase angle of each phase current
MONT ISO page (sequential component measurement)
11MG: Positive sequence current amplitude
12MG: Negative sequence current amplitude
310MG: Zero sequence current amplitude
11AG, 12AG, 10AG: phase angles of each sequence component
3.5 Historical Mode
Historical mode records key statistical data of motor operation:
HIST MTR (Motor Statistics)
OCNT: The number of startups since the last reset
RT: Accumulated running time
IMS: Maximum starting current
IMR: Maximum operating current
UBM: Maximum phase imbalance
WMX: Maximum winding temperature
HIST TRP (Trip Event Statistics)
GF T: Ground fault tripping frequency
I2T T: Number of thermal overload trips
IOC T: Number of instantaneous overcurrent trips
JAM T: Number of locked rotor trips
UL T: Number of underload trips
UB T: Number of unbalanced phase trips
HIST ALM (Alarm Event Statistics)
GF A: Ground fault alarm frequency
I2T A: Number of thermal overload alarms
JAM A: Number of locked rotor alarms
UL A: Number of underload alarms
UB A: Number of phase imbalance alarms
HIST TOT (cumulative statistics)
TRPS: Total number of trips
TRT: Total running time
TOC: Total number of operations

Chapter 4 Protection Principle and Thermal Model
4.1 Current Sampling and Calculation
The MP-3000 samples the input current signal 36 times per power cycle and stores it in the microprocessor memory after digitization. Based on these sampled values, the relay calculates:
RMS current value
Average current value
Phasor calculation, precise measurement of positive and negative sequence currents
The combination of high sampling rate and patented sampling offset technology enables the MP-3000 to accurately measure and account for the impact of harmonics on motor heating.
4.2 Effects of Negative Sequence Current
Any unbalanced three-phase current or voltage can be decomposed into positive sequence, negative sequence, and zero sequence components through mathematical transformations. In motors without neutral line circuits, zero sequence current only occurs during ground faults, so the focus of protection is on positive and negative sequence components.
Negative sequence current generates reverse torque in the rotor, opposite to the main rotation direction of the motor. This reverse work is completely converted into heat, so the negative sequence current has a much greater impact on rotor heating than the balanced positive sequence current.
In the thermal model of MP-3000, the formula for calculating the effective heating current is:
Effective heating current=positive sequence current+K × negative sequence current
Among them, K is the negative sequence emphasis coefficient, reflecting the significant impact of negative sequence current on rotor heating.
4.3 Thermal Accumulator Model
The MP-3000 uses a thermal accumulator (or "hot bucket") model to track the thermal state of the motor:
Hot bucket capacity: calculated based on motor nameplate data (FLA, LRC, LRT, UTC)
Filling process: When the effective heating current exceeds the final trip current (UTC), the hot tub begins to fill
Cooling process: When the current is below UTC, the hot tub gradually drains
Only when the effective heating current is higher than UTC, will the hot tub be filled in the direction of tripping. When the hot bucket is filled to 100%, the relay triggers an I ² t thermal overload trip.
4.4 Alarm threshold setting
The I ² t alarm (I2TA, P4L2) is used to alert operators before the hot bucket reaches the trip value. The alarm threshold can be set to a trip value of 60% to 99%. After receiving the alarm, the operator can avoid tripping by reducing the load or activating the load shedding function.
After thermal overload tripping, it is necessary to wait for the hot bucket to cool down to below the I ² t alarm threshold before resetting.
4.5 RTD enhanced protection
When connecting the URTD module and motor winding RTD, the protection performance of MP-3000 is significantly improved:
Direct temperature measurement: comparison of winding temperature with user set alarm/trip temperature values
Adaptive thermal model: The thermal model combines measured temperature, effective heating current, and motor constant to more accurately simulate the effect of temperature on cooling (the higher the temperature, the faster the heat dissipation)
When using RTD, even if the effective current is higher than UTC, the relay may remain tripped based on the winding temperature report. This greatly improves the load capacity of the motor, especially at normal ambient temperatures.
Important reminder: Many users mistakenly believe that connecting RTDs will make protection more conservative and easier to trip. The fact is quite the opposite - using RTD significantly improves the load capacity of the motor.
4.6 Example of Protection Curve
MP-3000 automatically calculates the protection curve based on the set motor parameters. Typical parameter examples:
FLA: 100% (benchmark)
LRC: 610% (6.1 times FLA)
LRT: 15 seconds (cold start)
UTC: 100% (service factor 1.0)
IOC: 1200% (12 times FLA)
Under load trip: 60% FLA, 5-second operation delay
Blocked rotor trip: 180% FLA, 5-second operation delay
Chapter 5 Detailed Explanation of Parameter Settings
5.1 Parameter organization method
The parameters of MP-3000 are organized by page, with each page containing multiple lines of settings. Set the number as PnLm, where n is the page number and m is the line number.
To enter programming mode, open the front panel protective door and press the Program button. Parameter modifications will not take effect immediately until the Program button is pressed again to exit programming mode, at which point all modifications will take effect simultaneously.
5.2 Motor constant setting (Page 1)
Setting Description Scope Description
P1L1 FLA full load current 10-3000 A motor nameplate value, non adjustable
P1L2 LRC stalling current 300-1200% FLA motor stalling current percentage
P1L3 LRT stalling time 1-120 seconds allowed stalling time during cold start
P1L4 UTC final trip current 85-150% FLA is usually set as service factor x 100%
P1L5 PCT phase CT ratio of 10-4000 CT ratio molecules
P1L6 GCT Ground CT Ratio 10-4000 Ground CT Ratio Molecular
P1L7 FREQ frequency 50/60 Hz power supply frequency
P1L8 REV/NONREV reversible/irreversible - Is motor reversal allowed
P1L9 STOP stop current threshold 2-20% PCT determines the current level at which the motor stops
Important constraint: FLA/PCT must be between 0.25 and 1.5, otherwise it cannot exit programming mode.
5.3 RTD Settings (Page 2)
Setting Description Scope Description
P2L2 WD T winding temperature trip 0-199 ° C, OFF maximum winding temperature trip value
P2L3 WD A winding temperature alarm 0-199 ° C, OFF winding temperature alarm value
P2L4 MB T motor bearing trip 0-199 ° C, OFF motor bearing temperature trip value
P2L5 MB A motor bearing alarm 0-199 ° C, OFF motor bearing temperature alarm value
P2L6 LB T load bearing trips 0-199 ° C, OFF load bearing temperature trip value
P2L7 LB A load bearing alarm 0-199 ° C, OFF load bearing temperature alarm value
P2L10 DIAG RTD diagnosis ON/OFF RTD fault alarm enabled/disabled
Note: The URTD module has 11 input channels, with the first 6 dedicated to motor windings, channels 7-8 for motor bearings, channels 9-10 for load bearings, and channel 11 for auxiliary inputs.
5.4 Trip Setting (Page 3)
Setting Description Scope Description
P3L1 GFT ground fault tripping 2-55% GCT, OFF ground fault tripping level
P3L2 GFSD ground fault startup delay 2-60 cycles. Ground fault protection activation delay after startup
P3L3 GFRD grounding fault operation delay 0-60 cycles grounding fault holding time
P3L4 IOC instantaneous overcurrent trip 300-1600% FLA, OFF high current fault trip level
P3L5 IOCSD IOC startup delay 2-60 cycles IOC protection activation delay after startup
P3L6 JMT stalling trip 100-1200% FLA, OFF mechanical stalling trip level
P3L7 JMSD stall start delay 0-1200 seconds, stall protection activation delay after startup
P3L8 JMTR stall operation delay 0-240 seconds stall state retention time
P3L9 ULT underload trip 6-90% FLA, OFF load loss trip level
P3L10 ULSD underload start delay 0-120 seconds, underload protection activation delay after startup
P3L11 ULTRA underload operation delay 0-240 seconds underload state retention time
P3L12 UBT phase unbalanced trip 4-40%, OFF phase unbalanced trip level
P3L13 UBSD Unbalanced Start Delay 0-120 seconds Unbalanced Protection Enable Delay After Start
P3L14 UBTR unbalanced operation delay 0-240 seconds unbalanced state maintenance time
5.5 Alarm Settings (Page 4)
Setting Description Scope Description
P4L1 GFA ground fault alarm 2-55% GCT, OFF ground fault alarm level
P4L2 I2TA I ² t alarm 60-99%, OFF thermal accumulator filling percentage alarm
P4L3 JMA stalling alarm 100-1200% FLA, OFF mechanical stalling alarm level
P4L4 JMAR stall alarm operation delay 0-240 seconds stall alarm holding time
P4L5 ULA underload alarm 6-90% FLA, OFF underload alarm level
P4L6 ULAR underload alarm operation delay 0-240 seconds underload alarm holding time
P4L7 UBA phase imbalance alarm 4-40%, OFF phase imbalance alarm level
P4L8 UBAR unbalance alarm operation delay 0-240 seconds unbalance alarm holding time
5.6 Startup Control Settings (Page 5)
Setting Description Scope Description
P5L1 ST/T Unit time startup times 1-10 times Maximum allowed startup times
P5L2 T/ST counting time window 1-240 minutes, time window for OFF startup count statistics
P5L3 TBS startup interval time 1-240 minutes, minimum interval between two OFF startups
P5L4 NOCS cold start times 1-5 times allowed continuous cold start times
P5L5 TRNC startup switching current 10-300% FLA current threshold from START to RUN
P5L6 TRNT startup switch timeout 0-1200 seconds maximum duration of startup state
P5L7 TRN switching event TIME/I/T+C/T/C defines the conditions for switching to occur
P5L8 INSQ incomplete sequence time 1-240 seconds, OFF process feedback waiting time
P5L10 LAT long acceleration time 1-1200 seconds, OFF high inertia load acceleration time
P5L11 ZSW zero speed switch ON/OFF zero speed switch function enabled/disabled
P5L12 ABK anti reverse delay 1-3600 seconds, from OFF stop to allowed restart time
5.7 Output Relay Configuration (Pages 8-10)
The MP-3000 has four output relays:
Trip relay: All trip events are directed to this relay
Alarm relay: typically used for all alarm conditions
Aux 1 relay: programmable and can also be used for load shedding function
Aux 2 relay: programmable and can also be used for switching control
Each relay can be configured as Mode 1 or Mode 2:
Mode 1: Relay loses power when normal, gains power when tripped
Mode 2: Power on when the relay is powered on, power off when a trip event occurs (fail safe mode)
The large number of settings (P8L1-P10L23) in Pages 8-10 are used to select which events activate the corresponding relays.
5.8 System Configuration (Page 12)
Setting Description Options Description
P12L1 Trip Relay Mode MODE1/MODE2 Configure Trip Relay Operation Mode
P12L2 alarm relay mode MODE1/MODE2 configuration alarm relay operation mode
P12L5 I ² t Reset MAN I2T/AUTO I2T Manual or Automatic Reset Thermal Overload
P12L6 Run time programming: RUN PGM/STOP PGM. Does it allow parameter modification during runtime
P12L7 Emergency Bypass EMRG EN/EMRG DIS Enable/Disable Emergency Bypass Function
P12L16 Internal Diagnostic Action RLYF TRP/ALM/T+A Action during Internal Fault
Is the P12L18 armed/disarmed ARMED/DISARMED trip relay enabled
Disarmament mode: Used for debugging new relays or settings, where the trip relay is prevented from operating, but all protection functions are running internally. The monitor will scroll to display the warning message 'DISARMED'.
Chapter 6 Installation and Wiring
6.1 Requirements for installation location
Vertically installed on a flat panel
The location should be kept away from water, chemicals, dust, overheating, and vibration
The panel should protect users from accidental contact with live terminals on the back
Recommend using 0.125 inch (3.18mm) steel plate, firmly grounded
6.2 Panel Openings
The opening size is compatible with the previous generation IQ 1000 II. MP-3000 retains the original 6-hole fixed position, but it is recommended to add 4 new hole positions.
Secure using the included self tapping plastic screws with a torque of 8 in lbs (0.9 N-m).
6.3 Installation of URTD module
The URTD module can choose from:
Back installation: Use URTD mounting bracket to fix on the back of MP-3000
Remote installation: Install near the motor to shorten the distance of RTD wiring
Advantages of remote installation: URTD transmits temperature data back to MP-3000 through a single fiber optic cable (recommended) or a 3-wire communication line, with a maximum fiber optic connection distance of 400 feet (121.9 meters).
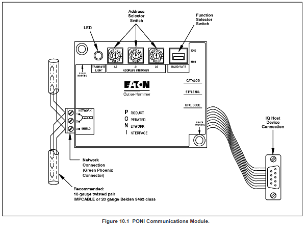
6.4 Installation of PONI Communication Module
The PONI module is always installed on the back of the MP-3000:
When there is no URTD: use the included PONI mounting bracket
When there is URTD: PONI is directly installed on the back of the URTD module
6.5 General Requirements for Wiring
Important warning: Before wiring, the motor starter, MP-3000, and all remotely connected power sources must be disconnected.
Grounding requirements:
Terminal 5 is connected to the nearest reliable grounding point using # 14 AWG or thicker wire
Do not use current carrying conductors or neutral conductors for grounding
Terminal 5 is internally connected to the casing and conductive panel
6.6 CT wiring
CT ratio selection:
5A CT: At 100% FLA, the CT secondary current should be between 3.5-4A, with an ideal value of 3.75A
1A CT: At 100% FLA, the CT secondary current should be between 0.7-0.8A, with an ideal value of 0.75A
Precautions for CT wiring:
Pay attention to phase identification and sequence, check the consistency of three-phase polarity
Keep the CT wiring as short as possible and use sufficiently thick wires
Each CT circuit must have only one grounding point
6.7 Power Wiring
Terminals 4 and 7 are connected to a 120 Vac or 240 Vac control power supply. MP-3000 automatically adapts to two voltages.
Important note: The URTD module can only be powered by 120 Vac. If using 240 Vac, URTD needs to be equipped with a step-down transformer (6 VA load).
6.8 Discrete Input Wiring
Discrete inputs can only be powered by 120 Vac. Terminal 6 always provides 120 Vac power, which can be used to wet remote contacts.
Discrete input circuits are completely isolated from other circuits and have their own common terminal (terminal 9).
Capacitor limitation: The total capacitance of parallel capacitors connected to discrete input contacts or solid-state relays should be less than 0.05 microfarads, otherwise charging current may cause false indication.

Chapter 7 Startup and Debugging
7.1 Pre power on inspection
Disconnect the MP-3000 control power supply
Confirm that there are no other power sources reversing the power supply
Check if the wiring meets the design requirements
Confirm that the CT secondary rating is consistent with the MP-3000 CT input rating (5A or 1A)
7.2 First power on inspection
Disconnect the power cord from terminal 4 and disconnect the URTD power plug
Measure the voltage between terminals 4 and 7 and confirm 120 or 240 Vac
Measure the voltage between terminals 6 and 7, which should be around 120 Vac
Check the discrete input status
Confirm that there is 120 Vac at the URTD power plug
7.3 Setting Input
Use Table 4.3 as the worksheet record setting selection
Pre configured settings files can be downloaded through PowerNet or PowerPort
Or manually input through the front panel programming mode
After exiting programming mode, verify that the settings are entered correctly
7.4 Contact Output Test
Confirm the mode settings of each output relay (P12L1-P12L4)
Enter programming mode and navigate to Page 13 SP TEST
Test each relay using P13L2-P13L5
Press the Reset button to switch the relay state
7.5 Complete System Testing
Reconnect the contactor to terminal 12
Confirm that all rotating components and transmission mechanisms are securely connected
Remove foreign objects from the surrounding area
Ensure that the MP-3000 Protection LED is on and displays READY-3
starter motor
Measure the current of each phase using a clamp ammeter and compare it with the displayed value of MP-3000 (within 5% error)
Chapter 8 Load Shedding Function
8.1 Functional principle
The load shedding function is used to send signals to process equipment when the motor is overloaded, reducing the load and avoiding stalling or thermal overload tripping. For example, the transportation of heavy objects to the conveyor can be temporarily stopped and restored after the load is reduced.
8.2 Parameter Setting
Setting description
P9L1 LSPU load rejection suction current 50-150% FLA, activate output when current exceeds this value
P9L2 LSDO load shedding release current 50-LSPU%, release output when current is lower than this value
P9L3 LSDL load shedding delay 0-5 seconds, shared by suction and release
Compulsory relationship:
If any one is set to OFF, the other will automatically be set to OFF
If LSPU is set and LSDO is OFF, LSDO will automatically be set to the minimum value of 50% FLA
If LSDO is set and LSPU is OFF, LSPU will automatically be set to the maximum value of 150% FLA
LSPU must be greater than LSDO
8.3 Application Examples
The load shedding function activates the AUX1 relay, which can be connected to the process control system. When the motor load exceeds LSPU and continues for LSDL time, the AUX1 contact will activate and stop adding load to the process. When the current is lower than LSDO and lasts for LSDL time, the AUX1 contact is released to restore the load.
Chapter 9 Emergency Bypass Function
9.1 Function Description
The emergency bypass function allows for forced restart of tripped motors in emergency situations without completely disabling protection. When receiving a bypass request:
Drain the heat accumulator to an initial level of 40 ° C
Reset the startup limit counter and timer (including anti reverse timer)
Cold start count fully restored
The motor protection is restored to the state after the motor has been stationary for a long time
9.2 Enabling Method
The emergency bypass function can be triggered in three ways:
Emergency Override button behind the front panel protective door (requires P12L7 to be set to EMRG EN)
Discrete input contacts configured as EMG OVR
Data communication commands for PowerNet host
9.3 Important Warning
The emergency bypass function will clear and restart all protection functions of MP-3000. Using this function may damage the motor. Only for use in truly emergency situations, and the reason for tripping must be clearly identified. Using a bypass means bearing the risk of motor damage to avoid more dangerous process states caused by tripping.
Chapter 10 Communication and Network Integration
10.1 PONI module selection
MP-3000 supports multiple PONI (Product Operation Network Interface) modules:
Type description
I-PONI INCOM network PONI, connected to a robust INCOM communication network
RS-485 PONI Modbus RTU communication, standard RS-485 network
D-PONI DeviceNet communication, 125/250/500 kilobaud
E-PONI Ethernet PONI, 10BaseT or fiber optic network connection
10.2 PONI Installation and Connection
PONI is connected to MP-3000 via a ribbon cable (with 9-pin D-sub connector)
Obtain working power from MP-3000 through ribbon cable
E-PONI precautions: E-PONI has high power consumption and may reduce the voltage interruption ride through capability of MP-3000. If the ability to traverse is crucial, it is recommended to independently supply power through the external power interface of E-PONI.
10.3 IQ 1000 II Simulation Mode
When P12L15 is set to IQ2 EN, MP-3000 can simulate the communication behavior of IQ 1000 II. In this mode, the communication function is limited by the IQ 1000 II's capabilities, but the full application function of the front panel is still available.
Important limitation: If any MP-3000 settings (out of 50 items) that are not available in IQ 1000 II are set to values outside the IQ 1000 II range, the relay will not be able to report the settings to the host and communication will not work.
Chapter 11 Testing and Troubleshooting
11.1 Test Overview
The MP-3000 microprocessor regularly self checks electronic components, program memory, and non-volatile data storage. By setting P12L16, you can choose to alarm, trip, or both when there is an internal fault.
Use the SP TEST page (Page 13) in programming mode to test inputs and outputs.
11.2 Precautions for Testing During Operation
Testing the trip relay requires the motor to stop
Other inputs and outputs can be tested while the motor is running
P12L6 must be set to RUN PGM for runtime testing
Danger Warning: Using test settings will change the output state, regardless of the normal functioning of these outputs. Unless it is urgent, wait for the motor to stop before testing. If the motor is running, it must be ensured that changing the output state will not cause dangerous situations in the motor, starter, or process.
11.3 Single phase test mode
Setting P13L1 to 1 Phase can be tested using a single-phase current source. At this point, all protection functions for checking phase balance or phase sequence are disabled.
Warning: P13L1 must be restored to 3 PHASE before the relay is put into service. The motor stop status display READY-1 indicates that the warning relay is in single-phase test mode, and the correct display should be READY-3.
11.4 Common Alarm Conditions
Display possible causes and solutions
GND FAULT insulation fault, ground leakage hazard: Stop and isolate the motor as soon as possible
%I2T thermal accumulator exceeds alarm threshold to check load, imbalance, and cooling
STEX A restarts after waiting for the displayed time to run out of startup attempts per unit time
WD TEMP winding temperature exceeds alarm value, check for overload and cooling airflow
MB TEMP motor bearing temperature too high usually indicates bearing failure or oil shortage
11.5 Common Trip Conditions
Display possible causes and solutions
IOC electrical fault (short circuit) danger: stop and lock the motor, expert assessment
GND FLT ground fault shutdown, check insulation
JAM drive equipment malfunction inspection: coupling, key, and material blockage
Under L load loss inspection coupling, belt, shaft
LRC/I2T thermal overload trip inspection for load, imbalance, voltage, and cooling
When starting PH REVRS, reverse the phase sequence and exchange the two-phase power lines or CT wiring
ZSW TRIP zero speed switch fault check switch and wiring, confirm if the motor is rotating
Chapter 12 Drawer Structure Options
12.1 Product Overview
The MP-3000 Drawout Case allows the relay to be removed from service without disassembling the wiring. It maintains the same electrical and operational specifications as the standard MP-3000.
The drawer style structure consists of two components:
Internal chassis: including relay electronic parts
External chassis: aluminum shell with terminal block, quick release mechanism and locking mechanism
12.2 Main Characteristics
Self short circuiting CT terminals: The drawer style terminal block has self short circuiting (or "first connect, then disconnect") contacts, which maintain the continuity of the CT circuit when the equipment is removed and prevent dangerous high voltage from being generated by the CT winding.
Additional self shorting terminals: can be used to keep the motor running when the relay is removed, or to provide an "unprotected alarm".
12.3 Installation precautions
Use the same panel openings as for fixed installation
The outer chassis is installed from the back of the panel, and the plastic front panel is installed from the front of the panel
Only use the included narrow nut, the standard width nut will interfere with the insertion of the inner chassis
12.4 URTD and PONI installation
The URTD module cannot be installed on the back of a drawer style structure and must be installed remotely
Fiber optic cables are led out through the back opening of the outer chassis and connected to the inner chassis
The PONI communication module is an integrated structure with an internal chassis, connected through terminals
12.5 Insertion and Removal Operations
Insertion steps:
Confirm that all wiring is correct
If using fiber optic cables, connect them first and then fully insert them into the internal chassis
Align with the guide rail and push in firmly until the four buckles engage
Removal steps:
If using fiber optic cables, first remove half of the internal chassis and disconnect the fiber optic cables
Simultaneously press the top and bottom quick release buttons
Pull out the relay through the front panel
Important warning: Removing the internal chassis may expose live parts and pose a fatal risk of electric shock. Before touching the internal and external components of the chassis, be sure to disconnect all controls or power sources.
12.6 Application of Disarmament Mode
In drawer style structures, the disarmed mode (ARMED/DISARMED) is particularly useful. This mode prevents the tripping output contact operation, but does not affect the protection display. Allow the insertion of relays without tripping critical motors due to improper settings. If an alarm or trip indication occurs during insertion, the user can check if the protection settings are correct.
Attention: The relay must be set to ARMED mode to protect the equipment. Otherwise, disabling the motor protection may result in serious damage.
Model Supplement
MP3010 fixed housing, 5A CT, no communication
MP3010INCOM fixed housing, 5A CT, with INCOM communication
MP3010MODBUS fixed housing, 5A CT, with Modbus communication
MP3010DEVICEN fixed housing, 5A CT, with DeviceNet communication
MP3110 fixed housing, 1A CT, can communicate through PONI
MP3110INCOM fixed housing, 1A CT, with INCOM communication
MP3110MODBUS fixed housing, 1A CT, with Modbus communication
MP3110DEVICEN fixed housing, 1A CT, with DeviceNet communication
MP3011 drawer style housing, 5A CT, no communication
MP3012 drawer style housing, 5A CT, with INCOM communication
MP3013 drawer style housing, 5A CT, with Modbus communication
MP3014 drawer style housing, 5A CT, with DeviceNet communication
MP3111 drawer style housing, 1A CT, no communication
MP3112 drawer style housing, 1A CT, with INCOM communication
MP3113 drawer style housing, 1A CT, with Modbus communication
MP3114 drawer style housing, 1A CT, with DeviceNet communication
MP3010VPI fixed shell, 5A CT, with INCOM, URTD and FOC
MP3010PPM fixed housing, 5A CT, with Modbus, URTD, and FOC
MP3010VPD fixed housing, 5A CT, with DeviceNet, URTD, and FOC
MP3110VPI fixed shell, 1A CT, with INCOM, URTD, and FOC
MP3110PPM fixed housing, 1A CT, with Modbus, URTD, and FOC
MP3110VPD fixed housing, 1A CT, with DeviceNet, URTD, and FOC
2D78559G01 URTD Universal RTD Module
2D78542G01 IQDCPS DC to AC power converter, 100-150 Vdc
MPFO-1 1-meter prefabricated fiber optic link with connector (for URTD)
MPFO-5 5-meter prefabricated fiber optic link with connector
MPFO-10 10 meter prefabricated fiber optic link with connector
MPFO-25 25 meter prefabricated fiber optic link with connector
MPFO-50 50 meter prefabricated fiber optic link with connector
MPFO-75 75 meter prefabricated fiber optic link with connector
MPFO-76 76 meter prefabricated fiber optic link with connector
MPFO-100 100 meter prefabricated fiber optic link with connector
MPFO-120 120 meter prefabricated fiber optic link with connector
MP3BRACKET PONI mounting bracket
MPML relay mounting board adapter (1/2 inch stud), suitable for GE Multilin 269 opening
MPML-L relay mounting board adapter (1-inch stud), suitable for GE Multilin 269 opening
EPONI Ethernet Communication Module
EPONIFE Ethernet Fiber Optic Communication Module
IPONI INCOM Communication Module
DPONI Data Communication Module
RS-485 PONI Modbus RTU communication module
MD3000 motor/generator differential relay, fixed housing
MD3001 motor/generator differential relay, drawer type housing
MP3011-IC MP-3011 internal chassis, 5A CT, no communication
MP3012-IC MP-3012 internal chassis, 5A CT, with INCOM communication
MP3013-IC MP-3013 internal chassis, 5A CT, with Modbus communication
MP3014-IC MP-3014 internal chassis, 5A CT, with DeviceNet communication
MP3111-IC MP-3111 internal chassis, 1A CT, no communication
MP3112-IC MP-3112 internal chassis, 1A CT, with INCOM communication
MP3113-IC MP-3113 internal chassis, 1A CT, with Modbus communication
MP3114-IC MP-3114 internal chassis, 1A CT, with DeviceNet communication
MP3X11-OC MP-3XXX external chassis, used for non communication or INCOM communication internal chassis
MP3X13-OC MP-3XXX external chassis, used for Modbus communication internal chassis
MP3X14-OC MP-3XXX external chassis, used for DeviceNet communication internal chassis
