Introduction: The voltage stabilization core of high-performance generators
In the excitation system of a brushless AC generator, the automatic voltage regulator (AVR) plays the role of the "brain" - it continuously monitors the output voltage of the generator and adjusts the excitation current in real time according to changes in load, speed, power factor, and temperature to ensure that the output voltage is stable within the set range. When facing non-linear loads, motor start-up shocks, or parallel operating conditions, the performance of AVR directly determines the power supply quality and system reliability.
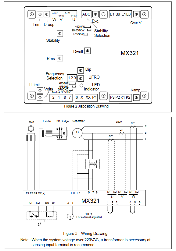
The MX321 launched by Newage (now under STAMFORD | AvK) is a three-phase induction AVR widely used in medium and large brushless generators. Its unique three-phase detection, independent power supply of permanent magnet generator (PMG), adjustable soft start, under frequency roll off (UFRO), and comprehensive over excitation/over-voltage protection functions make it a common choice for industrial power generation, data center backup power supply, and ship power systems. This article will provide a detailed analysis of the working principle, installation wiring, key adjustment steps, and typical troubleshooting of MX321 based on official technical specifications, providing a practical technical reference for on-site engineers.
Interpretation of Hardware Features and Technical Specifications
1. Three phase detection and PMG power supply architecture
Unlike traditional single-phase induction AVR, MX321 adopts three-phase RMS detection, which can more accurately reflect the true effective value of the generator terminal voltage, especially when the three-phase load is severely unbalanced, it can still maintain a voltage stabilization accuracy of ± 0.5%.
The control power of AVR comes from a permanent magnet generator (PMG) installed coaxially with the host. PMG outputs 170-220V AC (three-phase three wire, 100-120Hz), which is rectified internally by AVR to provide energy for the excitation system. The core advantage of this design lies in:
Anti nonlinear load interference: PMG and the main generator magnetic field are isolated from each other in the magnetic circuit, and the AVR control circuit is not affected by load harmonics or rectifier commutation gaps.
Continuous short-circuit current capability: When a three-phase short circuit occurs at the generator end, the PMG can still maintain excitation output, ensuring a continuous short-circuit current of not less than 3 times the rated current (for 10 seconds), facilitating downstream protection device action.
Reduce RF interference: PMG power supply reduces the RF noise that may be introduced when directly taking power from the main generator.
2. Key rated values and derating curves
Parameter Value Remarks
Inductive input 190-264V AC max, 2 or 3 phases 50/60Hz
PMG input 170-220V AC max, 3-phase 100-120Hz, 3A/phase
Excitation output maximum 120V DC continuous 3.7A (50 ℃), intermittent 6A/10 seconds
Minimum excitation resistance 15 Ω -
Maximum unit power consumption of 18W -
When the working temperature is -40 ℃ to+70 ℃ and above 50 ℃, the current linearly decreases to 2.7A at 70 ℃
Temperature derating: When the ambient temperature of the AVR exceeds 50 ℃, the continuous output current needs to be linearly reduced - only 2.7A at 70 ℃. When installed in high-temperature cabins or tropical areas, sufficient ventilation should be ensured around the AVR to avoid a decrease in excitation capacity due to overheating.
3. System response time
AVR internal response: 10 ms
Excitation current rises to 90%: 80 ms
Generator terminal voltage rises to 97%: 300 ms
This set of data indicates that MX321, when combined with PMG system, can quickly restore voltage after sudden load changes, and has good dynamic performance for motor starting or switching of high-power equipment.
Key points for installation and external connection
1. Voltage detection and PMG wiring
Induction terminal: usually connected to the main output terminals of the generator (L1, L2, L3, and N). Pay attention to the voltage range of 190-264V AC (corresponding to the use of transformers or direct phase voltage in 400V systems? In practical standard applications, transformers are often used to reduce voltage to around 220V. Please refer to the random wiring diagram of the generator for details.
PMG input: Three wires (P1, P2, P3) are connected to the PMG stator output. There are no special requirements for phase sequence.
External voltage regulator: terminals 1 and 2. If the micro adjuster is not used at the factory, these two terminals should be connected with short connectors. If remote voltage regulation is required, connect an external 5k Ω/1W potentiometer (increase voltage clockwise). Warning: The terminal of the micro adjuster may have voltage to ground, grounding is prohibited!
2. Parallel Droop CT
Connect terminals S1 and S2 to the secondary side of the parallel current transformer (usually in phase C). The CT output current (maximum 0.33A) passes through a 10 Ω resistor load inside the AVR, generating a voltage signal proportional to the reactive current of the generator. This signal is superimposed onto the voltage detection value, causing the voltage to slightly decrease with the increase of reactive load (typical value of 5% at 0PF), thereby achieving balanced distribution of reactive power.
3. Analog input (A1, A2)
Used for connecting power factor controllers (such as Newage PFC3) or other external regulating devices. Input range ± 5V DC, input resistance 1k Ω. Important safety warning: Any device connected to this input must be completely floating (isolated from ground), with insulation withstand voltage not less than 500V AC. A1 is the internal 0V reference point of AVR, A2 increases excitation with positive polarity and decreases excitation with negative polarity. TRIM potentiometer adjusts input sensitivity (counterclockwise for zero gain, clockwise for maximum).
4. Current limit CT (I Limit)
Terminals S1 and S2 can also be configured with current limiting CT (appropriate transformer ratio needs to be selected). When the stator current exceeds the set threshold, the AVR automatically reduces excitation, limits short-circuit current, or assists in starting the motor. This function has an internal timer of 10 seconds, which will be turned off and self-locking when exceeded.
5. Overvoltage trip output
When the output voltage of the generator exceeds 300V AC and lasts for more than 1 second, the internal power devices of the AVR are turned off, and the external excitation circuit breaker tripping coil can be driven at the same time. Coil parameters: 10-30V DC, 20-60 Ω.

Panel control function and fine tuning
The MX321 printed circuit board is equipped with 9 adjustable potentiometers (partially factory sealed) and multiple jumper options. The adjustment direction for each function is shown in the table below:
Control Name Function Description Clockwise Effect
VOLTS regulates the output voltage of the generator to increase the output voltage
Stability prevents voltage oscillation (damping) and increases damping, resulting in a slower response
UFRO sets the underfrequency roll off inflection point frequency to decrease the inflection point frequency (seal preset)
DROOP setting increases the sag of parallel reactive power (5% typical)
TRIM analog input sensitivity increases external control signal effect
EXC overexcitation trip level increases trip threshold (sealed)
When DIP is under frequency, the additional voltage drop depth increases the slope of the drop
After DWELL under frequency recovery, the delay time for voltage recovery increases
I Limit: Increase the current limit threshold of the stator and raise the current limit point
OVER V overvoltage trip level (300V fixed) not adjustable (sealed)
Ramp no-load pressure building ramp time extends soft start time
Detailed adjustment steps:
1. Voltage regulation (VOLTS)
Rotate VOLTS counterclockwise to the bottom before starting.
If an external remote adjuster is connected, place it at the midpoint.
STABILITY should be placed at the midpoint first.
No load operation, frequency slightly higher than rated (recommended for 50Hz system 50-53Hz, 60Hz system 60-63Hz).
Be careful to rotate VOLTS clockwise until it reaches the rated voltage (e.g. 400V or 480V).
If there is voltage fluctuation, refer to the next step to adjust the stability and then fine tune again.
2. Stability adjustment and jumper selection
There are jumper wires on the MX321 board, and different response speeds are selected based on the generator power. Usually, select "LOW" for low-power units and "HIGH" for high-power units. Refer to PCB printing for specific location.
Slowly rotate the STAILLITY counterclockwise under no load until the voltage begins to become unstable (swing or drift).
Pull back a little further clockwise to find the "critical damping" point where the voltage is stable and closest to the unstable region.
This can balance response speed and stability.
3. Underfrequency Rolloff (UFRO) Adjustment
After the generator speed falls below the set threshold, the UFRO circuit reduces the voltage in a "V/Hz" ratio to prevent overload of the excitation system.
The factory has pre-set 50/60Hz and 4-pole/6-pole through jumper wires. The red LED lights up when the frequency is below the inflection point (such as 47Hz or 57Hz).
Users generally do not need to adjust; If optimization is needed, the LED can be monitored to light up just when the rated frequency drops by 1-3Hz.
4. Parallel droop (DROOP) adjustment
Only used when parallel operation is required. Need to connect the sagging CT.
Typical requirement: Voltage drop of 5% at full load with zero power factor.
Actual test: During single machine debugging, wiring can be temporarily omitted; Before merging, each machine adjusts DROOP to evenly distribute reactive power.
Clockwise increase droop (i.e. voltage drop is greater under the same reactive current), counterclockwise decrease droop.
5. Simulate input TRIM adjustment
After connecting the power factor controller, adjust the output of the controller to maximum (+5V), and turn TRIM clockwise to achieve the desired voltage change amplitude (usually ± 5% of the rated voltage).
If there are no external devices, TRIM can be set to the minimum (counterclockwise).
6. Overexcitation (EXC) and Overvoltage (OVER V) protection
Both are factory sealed settings and should generally not be adjusted on site.
Overexcitation detection: After the excitation voltage exceeds 75V DC and lasts for 8-15 seconds, turn off the power device; Overvoltage detection: Turn off after the main voltage exceeds 300V AC for 1 second.
After two types of protective actions, the red LED lights up and the generator must be stopped (completely stopped) in order to reset. This is an important safety feature that prevents automatic excitation recovery before the fault is eliminated.
7. Current Limit (I Limit)
Before use, make sure to connect a CT with the appropriate ratio. Adjust the I Limit potentiometer (increase the limiting current threshold clockwise).
After enabling this function, the AVR automatically limits excitation during a short circuit, and the amplitude of the short circuit current is controlled and can last for about 10 seconds. Afterwards, the internal timer cuts off the excitation.
If this function is not used, the CT terminal should be suspended.
8. DIP and DWELL (turbocharged engine adaptation)
When the generator is driven by a turbocharged diesel engine and sudden increase in load can easily cause the engine to smoke or experience a sudden drop in speed, DIP and DWELL can be used to improve the recovery process.
DIP (Drop Depth): Increase the slope of voltage drop when under frequency occurs. Counter clockwise is the standard V/Hz line; Clockwise decreases the voltage faster with frequency, thereby reducing the load torque and helping the engine recover speed.
DWELL (Recovery Delay): After frequency recovery, artificially delay the voltage rebound. This delay allows the engine to recover partial speed before bearing full magnetic load. Increase the delay time clockwise.
Typical start signal: The frequency drops below 45Hz at the moment of starting the unit with a large motor and the voltage cannot be restored for a long time.
9. RAMP (Soft Start)
Control the rise time of the no-load voltage building of the generator, which is about 3 seconds from the factory.
Adjust the RAMP potentiometer clockwise to increase the ramp time (up to approximately 4 seconds) and counterclockwise to decrease it (down to 0.4 seconds). A too short build-up time may result in excessive impact when closing the closed circuit.
Typical Fault Phenomena and Troubleshooting Strategies
Based on common on-site issues, the troubleshooting process is as follows:
Possible causes and solutions for the fault phenomenon
The generator does not build voltage, the red LED does not light up, there is no PMG input, or the AVR is damaged. ① Check whether the PMG wiring is open/short circuited; ② Measure PMG output (should be>100V AC); ③ Check the AVR fuse.
The voltage is too low and the VOLTS potentiometer is not adjustable, resulting in a failure or incorrect induction wiring. ① Check the induction terminal voltage (190-264V); ② Measure the resistance of the external micro adjuster or add a short jumper to terminals 1-2; ③ Try turning VOLTS clockwise to the maximum.
Voltage instability (swing), low stability setting, or generator speed fluctuation ① Adjust the station clockwise until stable; ② Check the performance of the engine governor; ③ Confirm that the jumper settings match the power.
Unequal distribution of reactive power in parallel, inconsistent droop CT transformation ratio or DROOP setting differences ① Check the CT transformation ratio of the two machines; ② Adjust DROOP separately to make the excitation current similar under the same load; ③ Check CT polarity (S1, S2 phase sequence).
After the load is put into operation, if the voltage does not recover for a long time and the DIP/DWELL setting is too large or the UFRO inflection point is too high, ① turn the DIP counterclockwise back to the minimum; ② Set DWELL counterclockwise to zero; ③ Check if the UFRO jumper is mistakenly set to a higher frequency (e.g. if a 60Hz unit misuses a 50Hz jumper).
The red LED is on and cannot reset the overexcitation or overvoltage protection action. ① Confirm that the generator has completely stopped; ② Check if the excitation circuit is short circuited; ③ Measure whether the main voltage exceeds 300V (due to regulator failure or external high voltage intrusion).
AVR overheating is severe, and the continuous excitation current exceeds the limit or the ambient temperature is too high. ① Measure whether the excitation current is greater than 3.7A; ② Check whether the rotor resistance of the excitation machine is lower than 15 Ω; ③ Improve ventilation or reduce usage.
Engineering maintenance and safety precautions
Regularly check the wiring: PMG and induction terminals are prone to loosening due to vibration and should be tightened every six months.
Cleaning and heat dissipation: Dust accumulation can lead to deterioration of heat dissipation, especially in high humidity or salt spray environments. Use compressed air to blow the surface of AVR.
Do not plug or unplug with power on: It is strictly prohibited to unplug the AVR plug when the generator is running, otherwise it may generate extremely high induced voltage and damage the circuit.
After replacing the AVR, it must be readjusted: the initial position of the VOLTS of the new AVR may be different, and it is necessary to start from the counterclockwise zero position according to the "voltage adjustment" steps.
Phase inspection of parallel units: Before parallel commissioning, use a phase sequence table to confirm that the induced voltage phase sequence of the two units is consistent; The polarity of the hanging CT wiring must be correct.
Anti static measures: There are CMOS devices on the AVR board, and static electricity should be released by touching the grounded metal before operation.
