In the fields of high-end mechanical manufacturing, large-scale automated production lines, and precision positioning control, 400V level high-power servo systems play a core driving role. The combination of SGMBH servo motors (22-55 kW) and SGDH servo drives (SERVOPACK) in the Yaskawa ∑ - II series is widely used in presses, injection molding machines, large gantry machines, and wind pitch systems due to its high response, high precision, and rich control modes (speed, position, torque). This article is based on the original factory technical manual and provides a comprehensive operation guide for on-site engineers, system integrators, and maintenance personnel, covering hardware installation, main circuit wiring, parameter initialization, trial operation, gain adjustment, and fault diagnosis.
Chapter 1: Product Overview and Acceptance Inspection
1.1 System composition
The ∑ - II series 400V servo drive system consists of SGMBH servo motors (synchronous type, rated speed of 1500 min ⁻¹, maximum speed of 2000 min ⁻¹, maximum torque of 200%) and SGDH SERVOPACK (speed/torque/position control optional). The motor is equipped with a 17 bit incremental or absolute encoder (optional 20 bit absolute).
1.2 Open box inspection
After receiving the product, it is necessary to confirm:
Does the servo motor match the SERVOPACK model (see manual combination specification table, such as SGDH-2BD with SGDH-2BE).
Can the motor shaft be smoothly rotated manually (motors with brakes cannot be manually rotated).
Check for any transportation damage to the appearance and loose screws.
Check the nameplate data: voltage level (400V level), rated current, serial number, etc.
1.3 Storage Environment
Servo motor: -20~60 ℃.
SERVOPACK: -20~85 ℃.
Humidity: below 90% RH (no condensation).
Chapter 2: Installation and Mechanical Connection - Ensuring Long term Reliable Operation
2.1 Installation of servo motor
SGMBH motors can be installed horizontally or vertically. Before installation, it is necessary to remove the anti rust coating on the shaft end with diluent (to avoid contact with other parts). The installation surface must meet the following requirements:
Concentricity: The concentricity between the flange mating surface and the output shaft is T.I.R. ≤ 0.05 mm.
Verticality: The verticality T.I.R. between the flange surface and the output shaft is ≤ 0.05 mm.
Shaft runout: Shaft end runout T.I.R. ≤ 0.03 mm.
2.2 Allowable radial/axial loads
When designing a mechanical system, the radial load (Fr) and axial load (Fs) borne by the shaft end shall not exceed the following table:
Motor model allows radial load Fr (N) and axial load Fs (N), with a distance of LR (mm) from the point of application
SGMBH-2BD 5880 2156 100
SGMBH-3ZD 6272 2156 100
SGMBH-3GD 7448 2156 100
SGMBH-4ED 7840 2156 100
SGMBH-5ED 8428 2156 110
Important: Exceeding the allowable load can cause bearing damage or encoder failure. It is strictly prohibited to directly impact the shaft end when installing the coupling.
2.3 Motor fan and thermal protection
The SGMBH motor comes with a fan, which needs to be connected to a three-phase 380-480V power supply (terminals U (A), V (B), W (C)), and ensure that the wind direction is correct (switch the two phases arbitrarily when reversing). The fan is equipped with a built-in thermal protector (operating temperature 140 ℃± 5%), which needs to be used in conjunction with a 2A non fuse circuit breaker. The internal thermostat of the motor (terminals 1 and 1b) must be connected to the control circuit, and the main power or servo must be cut off when the thermostat is activated.
2.4 SERVOPACK Installation
SGDH is a base mounted type that must be installed vertically and meet the following spacing requirements:
At least 50 mm up and down, and at least 10 mm left and right.
The ambient temperature is 0-55 ℃, the humidity is ≤ 90% RH, and the vibration is ≤ 4.9 m/s ².
When multiple units are installed side by side, a cooling fan needs to be installed at the top to ensure that the temperature inside the cabinet does not exceed 45 ℃ (long-term reliability).
2.5 Power loss reference
SERVOPACK model main circuit loss (W) control circuit loss (W) total loss (W)
SGDH-2BDE 650 120 770
SGDH-3ZDE 880 170 1090
SGDH-3GDE 1050 140 1260
SGDH-4EDE 1350 150 1560
SGDH-5EDE 1600 180 1840

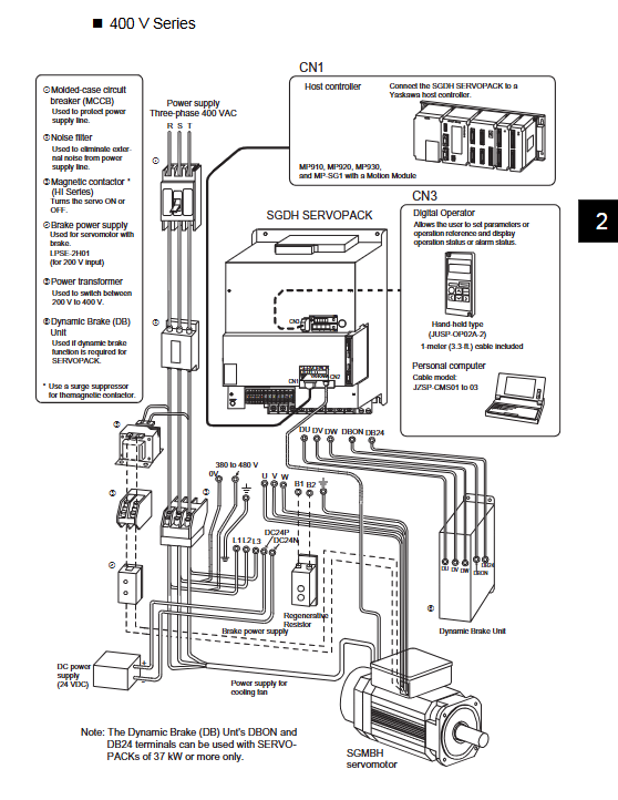
Chapter 3: Wiring of Main Circuit and Control Circuit - Safety and Anti Interference
3.1 Definition of main circuit terminals
Terminal symbol function description
L1/R, L2/S, L3/T main power input three-phase 380~480VAC ± 10%, 50/60Hz
U. V, W motors are connected to servo motors U, V, W
DC24P, DC24N control power input 24VDC ± 15%
+1. Connect the+2 DC reactor to the factory short-circuit for harmonic suppression
B1 and B2 regenerative resistors are connected to external regenerative resistor units
DU, DV, DW dynamic braking unit connection for models of 37kW and above
DBON, DB24 dynamic braking unit controls models of 37kW and above
3.2 Typical Wiring Example (22/30kW)
The main power supply is connected to L1/L2/L3 through MCCB (recommended 100-150A) and electromagnetic contactor (MC).
The control power supply DC24V needs to be provided by the user (SELV, double insulation) and connected to DC24P/DC24N.
The motor power line (U/V/W) must be routed separately from the encoder cable (with a spacing of ≥ 30cm), using shielded twisted pair cables.
Grounding: 400V level grounding resistance ≤ 10 Ω, must be dedicated to grounding, and cannot share grounding electrodes with high current equipment such as welding machines.
3.3 Control circuit I/O signal (CN1 50 pin)
The key signals are as follows:
Input signal (optocoupler isolation, requires external 24V power supply)
/S-ON (CN1-40): Servo ON (low level effective)
/P-CON (CN1-41): Proportional Control Reference/Control Mode Switching/Zero Position Clamping
P-OT (CN1-42): Forward overtravel prohibited (high-level prohibits forward operation)
N-OT (CN1-43): Reverse overtravel prohibited
/ALM-RST (CN1-44): Alarm reset
/P-CL (CN1-45): Positive torque limit/internal speed selection
/N-CL (CN1-46): Reverse torque limit/internal speed selection
+24VIN (CN1-47): External 24V input
Output signal (optocoupler/open collector)
ALM+/ALM - (31/32): Servo alarm (open circuit when alarm)
/TGON+/TGON - (27/28): Rotation detection (conducts when the motor speed exceeds the set value)
/S-RDY+/S-RDY - (29/30): Servo ready
PAO/PBO/PCO: Encoder divided output (A/B/C phase, line driven)
ALO1/2/3 (37/38/39): Alarm code output (open collector)
/V-CMP (25/26): Consistent speed/positioning completed
3.4 Precautions for Interface Circuit
Analog input (V-REF speed reference, T-REF torque reference): Input impedance of approximately 14k Ω, maximum ± 12V. Use shielded twisted pair cables.
Pulse input (PULS, SIGN): Supports line drive (5V) or open collector (5V/12V), with a maximum frequency of 500kpps (line drive). When using the built-in 12V pull-up power supply, the input resistor should limit the current to 7-15mA.
Encoder interface (CN2): Use a dedicated cable (up to 20m in length, up to 50m in special specifications), with a shielding layer grounded at one end.
Chapter 4: Trial Operation - Two Step Verification without Load and with Load
4.1 Safety Notice
The first trial run must disconnect the coupling between the motor and the machinery, and only test the motor without load.
Confirm that all wiring is correct, especially that the main power supply is not mistakenly connected to U/V/W.
Confirm that the P-OT/N-OT signal is valid (low level allows operation, high level prohibits), otherwise the motor may not start.
4.2 Steps for no-load trial operation
Power on: Connect the control power supply (DC24V) and the main power supply (three-phase 400V). The SERVOPACK panel LED displays "-" (standby). If an alarm code (such as A.10, A.30, etc.) is displayed, there may be a wiring or hardware malfunction.
Using the digital manipulator (JUSP-OP02A-2):
Connect the operator to CN3 (electrically pluggable).
Press the DSPL/SET key to enter the auxiliary function mode (Fn002).
Press DATA/ENTER, then press SVON to enable the servo (the panel displays "run").
Press the UP or DOWN key, and the motor rotates at a jog speed (Pn304 defaults to 500 min ⁻¹).
Check rotation direction: The default forward direction is counterclockwise (CCW) when viewed from the load side. If reversed, the parameter Pn000.0 can be changed (set to 1 reverse direction), or the motor U/V/W phases can be exchanged.
Run with external reference (speed control):
Set parameter Pn000.1=0 (speed control).
CN1-5 (V-REF) input 0~± 10V, the motor speed should be proportional to the input voltage (default 6V corresponds to rated speed of 1500 min ⁻¹).
View the actual speed through monitoring mode (Un000) and adjust Pn300 (speed reference input gain) to ensure the correct voltage speed relationship.
4.3 Load Test Run
After passing the no-load test, connect the mechanical load and perform self-tuning. Use the auxiliary function Fn001 to set the mechanical rigidity level (1-10). The higher the level, the faster the response, but it may cause vibration. Usually starting from 4, gradually increasing until vibration occurs and then decreasing by one level. Enable online self-tuning (Pn110.0=1), SERVOPACK will automatically calculate the load inertia ratio (Pn103) and optimize the speed loop gain (Pn100) and position loop gain (Pn102).

Chapter 5: Detailed Explanation of Parameters and Application Functions
5.1 Classification of Basic Parameters
Main functions of category parameter range
Function selection: Pn000~Pn003 control mode, rotation direction, stop mode, alarm code output, etc
Gain related Pn100~Pn123 speed loop gain, integration time, position loop gain, inertia ratio, feedforward, etc
Position control Pn200~Pn208 pulse input form, electronic gear, filter
Speed control Pn300~Pn308 speed reference gain, internal speed 1-3, soft start time, jog speed
Torque control Pn400~Pn409 torque reference gain, torque limit, notch filter
Sequence related Pn500~Pn512 positioning completion width, zero speed clamp level, brake output timing, I/O allocation
5.2 Examples of Key Parameter Settings
Control mode selection (Pn000.1)
Set value control mode
0 speed control (simulation reference)
Position control (pulse reference)
2 Torque Control (Simulation Reference)
3-contact input speed control (internal speed)
7-position control ↔ Speed control (via/P-CON switching)
9 Torque Control ↔ speed control
Electronic gear settings (Pn202/Pn203) - position control is required
Electronic gear ratio B/A=(number of encoder pulses x 4)/(reference unit per revolution of load shaft) x (motor speed/load shaft speed)
For example: 17 bit encoder (32768 pulses/rev), screw pitch 5mm, reference unit 0.001mm, direct connection (reduction ratio 1:1):
Reference unit per revolution of load axis=5/0.001=5000
Electronic gear ratio=(32768 × 4)/5000=131072/5000=26.2144 → rounded to approximately 262144/10000 (needs to be simplified to integer ≤ 65535). Actual setting: Pn202=262144/4? Careful calculation is required. The manual provides examples: Pn202=8192, Pn203=6000.
Speed reference input gain (Pn300) - speed control
The factory value is 600, which corresponds to the rated speed of 6V (1500 min ⁻¹). If 10V corresponds to 1500 min ⁻¹, then Pn300=1000 (10V/1500 min ⁻¹, every 0.01V corresponds to 1 min ⁻¹).
Torque reference input gain (Pn400) - torque control
The factory value is 30, which corresponds to a rated torque of 3V (100%). If 10V is required to correspond to the rated torque, Pn400=100.
5.3 Advanced Features
Full range automatic torque boost: No need to set, SERVOPACK automatically adjusts the output voltage according to the load.
Speed feedback compensation (Pn111): used to shorten the positioning and setting time, usually used in conjunction with self-tuning.
Mode Switch (Pn10B. 0): It can automatically switch PI/P control based on torque, speed, acceleration, or position error to suppress overshoot.
Notch filter (Pn408.0, Pn409): When resonance (sharp noise) occurs in the mechanical system, setting the frequency of the notch filter (50~2000Hz) can eliminate vibration.
Zero Clamp (Pn000.1=A): When the speed reference is lower than the set level (Pn501) and the/P-CON signal is ON, the servo automatically locks in the zero position.
Holding Brake Control: Vertical axis applications require the use of a brake motor. Set the brake output timing for parameters Pn506~Pn508 to prevent gravitational sliding.
Chapter 6: Deep Application of Digital Operator (JUSP-OP02A-2)
6.1 Basic Operations
Status display mode: default display after power on, can view I/O status (indicated by 8 LEDs).
Parameter setting mode: Press the DSPL/SET key to switch to the "Pn" display, select the parameter number, press DATA/ENTER to read, and after modification, press DATA/ENTER to save (the panel will flash). Function selection parameters (such as Pn000) need to be modified bit by bit.
Monitoring mode: Display Un000~Un00D, including actual speed, reference speed, torque, position error, I/O status, etc.
6.2 Auxiliary Functions (Fn000~Fn014)
Function code usage
Fn000 alarm traceability display (last 10 alarms)
Fn001 mechanical rigidity setting (for self-tuning)
Fn002 jog operation
Fn003 Zero Point Search
Fn005 parameter initialization (factory reset)
Fn006 Clears Alarm Traceability Data
Fn007 saves self-tuning results (inertia ratio written to EEPROM)
Fn008 absolute value encoder multi cycle reset
Fn009 automatic adjustment simulation reference zero drift
Fn00A/Fn00B manual adjustment speed/torque reference zero drift
Fn010 password setting (to prevent parameter errors)
Fn013 multi turn limit setting (absolute value encoder)
6.3 Zero drift adjustment
When the speed reference is 0V, the motor still rotates slowly and needs to adjust the zero drift. Prioritize using Fn009 automatic adjustment (input 0V reference in servo OFF state). If the position ring is formed on the host side, use manual adjustment (Fn00A, adjustment value range -9999~+9999).

Chapter 7: Fault Diagnosis and Alarm Handling
7.1 Common Alarm Codes and Countermeasures
Display alarm name, common causes, and handling measures
A. 02 Parameter damage: Power off when writing parameters, execute Fn005 initialization, and reset
A. 10. Check U/V/W insulation for overcurrent or overheating of radiator motor wires, grounding, excessive load, and fan faults; Reduce load; Check the fan and heat dissipation
A. 30. Abnormal regeneration transistor fault and broken regeneration resistor. Check the external regeneration resistor wiring; Replace SERVOPACK
A. 32 regeneration overload regeneration energy exceeds the capacity of the resistor, external larger power regeneration resistor is connected, set Pn600
A. Check the input voltage for overvoltage, high power supply voltage, and rapid deceleration in the 40 main circuit; Extend deceleration time; Install regenerative resistor
A. 41. Check the power supply and wiring for undervoltage, phase loss, and fuse burnout in the main circuit; Replace SERVOPACK
A. Check the U/V/W wiring for phase sequence error and excessive reference input of the 51 overspeed motor line; Reduce reference value
A. 71/72 overload (high/low load) with excessive load and reduced load due to broken motor wires; Check the motor power line
A. 81 Absolute value encoder backup error battery voltage depletion, encoder+5V loss, battery replacement; Perform Fn008 initialization
A. 83 Absolute Value Encoder Battery Error Battery voltage<2.7V Replace battery when powered on (ER6VC3 or JZSP-BA01)
A. CC multi cycle limit inconsistency SERVPCACK and encoder multi cycle setting are different. After modifying Pn205, execute Fn013
A. The d0 position error pulse overflow position gain is too low, the load inertia is large, and the pulse frequency is too high, increasing Pn102; Reduce the electronic gear ratio; Check the machinery
A. F1 power supply phase loss inspection, main power supply phase loss inspection, L1/L2/L3 wiring and MCCB
7.2 Alarm Reset
Press the RESET button on the numeric operator (while pressing UP+DOWN on the panel operator).
Through the CN1-44 (/ALM-RST) signal (low level active).
Partial alarms (A.02, A.04, A.81, A.82, etc.) require power outage and restart.
7.3 Troubleshooting of motor not rotating despite no alarm display
Check if/S-ON is at low level (servo enabled).
Check if P-OT/N-OT is at low level (operation is prohibited when overtravel is prohibited).
Check if the control power supply DC24V is normal.
Speed control mode: Check if there is voltage in V-REF; Position control mode: Check if PULS signal is input.
When using an absolute value encoder, the SEN signal must be at a high level (absolute data request).
Chapter 8: Maintenance and upkeep
8.1 Regular inspection items
Component cycle inspection content
Daily vibration, abnormal noise, and surface cleaning of the motor
The insulation resistance of the motor is measured annually with a 500V megohmmeter, and is ≥ 10M Ω (with SERVOPACK disconnected)
Oil seal replaced every 5000 hours
SERVOPACK cooling fan replacement in 4-5 years
Smooth capacitors should be checked for leakage and discoloration after 7-8 years, and replaced if necessary
Circuit board electrolytic capacitor 5-year test, replace circuit board if necessary
8.2 Absolute value encoder battery replacement
When an A.83 alarm occurs, the battery (model ER6VC3 or JZSP-BA01) must be replaced while the SERVOPACK control power supply is powered on. After replacement, turn off the power and then turn it back on to clear the alarm. If the battery is completely discharged and multiple cycles of data are lost, Fn008 needs to be executed to reset multiple cycles of data and reset the zero point.
8.3 Precautions for long-term discontinuation
If stored for a long time (more than 6 months), it is recommended to power on every six months to prevent the degradation of electrolytic capacitors.
Chapter 9: Selection and Combination Quick Search
9.1 Combination Table of Servo Motor and SERVOPACK
Rated power of servo motor SERVOPACK Continuous current (A) Maximum current (A) Allowable load inertia (× 10 ⁻⁴ kg · m ²)
SGMBH-2BD 22kW SGDH-2BDE 58 120 2960
SGMBH-3ZD 30kW SGDH-3ZDE 80 170 3865
SGMBH-3GD 37kW SGDH-3GDE 100 210 6950
SGMBH-4ED 45kW SGDH-4EDE 127 260 7550
SGMBH-5ED 55kW SGDH-5EDE 150 310 9850
9.2 External Regenerative Resistance Unit
SERVOPACK regeneration resistor unit resistance value (Ω) capacity (W)
2BDE/3ZDE JUSP-RA12 9 3600
3GDE JUSP-RA14 5 4800
4EDE JUSP-RA15 4 6000
5EDE JUSP-RA16 3.8 7200
9.3 Recommended MCCB and noise filter
SERVOPACK MCCB Capacity (A) Recommended Noise Filter
2BDE 100 FN258L-75-34
3ZDE/3GDE 150 FN258L-100-35 / FN258L-130-35
4EDE/5EDE 225 FN258L-180-07
