In the field of industrial transmission, Yaskawa F7 series frequency converters are widely used in key equipment such as fans, pumps, conveyors, extruders, etc. due to their excellent vector control performance, flexible I/O configuration, and wide power range (0.4kW to 500kW or more). However, as equipment ages, engineers often face challenges such as difficulty in model identification, loss of parameters, unclear fault codes, and even discontinuation of prototype numbers. This article is based on the F7 series technical manual, which outlines the complete process of selection confirmation, wiring points, parameter backup, typical fault diagnosis, and preventive maintenance from a practical perspective, providing on-site engineers with an immediately usable technical manual.
Model decoding and rating confirmation
The model of the F7 driver is located on the right nameplate, in the format of CIMR-F7U □□ P □ or CIMR-F7U □□□. For example, CIMR-F7U22P2 represents 208-240V input and 2.2kW (3HP) level. The decoding rules are as follows:
Example of Field Meaning
CIMR Yaskawa Industrial Inverter -
F7 series code F7
U voltage level: U=200V level, U=400V level (actually differentiated by numbers) -
20P4 20=200V level, P4=0.4kW (P represents decimal point) 22P2=2.2kW
2011 200V class, 11kW -
4030 400V class, 30kW -
Key parameter differentiation: Heavy Duty (HD) and Constant Load (ND)
Parameter C6-01 determines the rated output current and overload capacity of the driver:
C6-01=0 (factory default): Overload, 150% overload for 60 seconds, default carrier frequency of 2kHz, maximum output frequency of 300Hz.
C6-01=2: Constant load, approximately 110% overload for 60 seconds, carrier frequency up to 15kHz (depending on model), maximum output frequency 400Hz.
When replacing or selecting, it is necessary to verify the rated current on the motor nameplate and the HD rated output current of the driver. If the motor operates at less than 80% of the rated current for a long time and needs to operate quietly, it can choose constant load and increase the carrier frequency; If the load fluctuates greatly and accelerates and decelerates frequently, the overload mode should be prioritized.
Engineering Tip: Software versions VSF103021 and higher allow for increasing the carrier frequency in overload mode (e.g. 2kHz to 5kHz), but the continuous output current will automatically decrease. Please refer to Table 5.1 in the manual for specific derating values.
Hard specifications for installation and wiring
2.1 Environment and installation gap
F7 drivers are divided into two types: NEMA Type 1 (IP20) enclosed and Open Chassis (IP00) open. During installation, it is necessary to follow:
Environmental temperature: Closed -10 ℃ to+40 ℃, Open -10 ℃ to+45 ℃.
Vertical installation, with a minimum clearance of 120mm (4.75 inches) for models ≤ 30kW and 300mm (11.8 inches) reserved at the top for models ≥ 37kW (such as F7U4300).
Avoid metal dust, oil mist, corrosive gases, and direct sunlight.
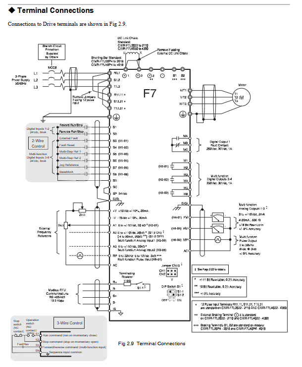
2.2 Key points of main circuit wiring
Terminal definition (taking 208-240V as an example):
R/L1, S/L2, T/L3: Input power supply
U/T1, V/T2, W/T3: connected to motor
⊕ 1, ⊕ 2: Positive pole of DC bus (used for external DC reactor or braking unit)
⊖, ⊖: Negative pole of DC bus
B1, B2: Built in braking transistor connected to external braking resistor (limited to low-power models only)
Wire selection:
The wire diameter must meet the requirement of voltage drop ≤ 2%. Calculation formula:
Δ V=√ 3 × Resistance (Ω/km) × Line length (m) × Current (A) × 10 ⁻ ³
Recommend using 600V heat-resistant vinyl insulated wire (75 ° C copper wire). For example, F7U22P2 (3HP) main circuit terminal M4 screw, torque 1.2-1.5N · m, suitable for wire diameter 14-10AWG.
High power models (such as F7U2110) require M12 terminals with a torque of 31.4-39.2N · m and a recommended wire diameter of 350MCM × 2P.
Grounding requirements:
Ground resistance of 208-240V driver<100 Ω; 480V driver<10 Ω.
It is strictly prohibited to share grounding wires with welding machines and high current equipment; Multiple drivers must not form a loop when grounded.
2.3 Control circuit wiring
The control terminal adopts a plug-in terminal, with a recommended wire diameter of 0.75mm ² (18AWG) and a torque of 0.5-0.6N · m. Key terminals:
S1 (forward start stop), S2 (reverse start stop), SN (common terminal)
A1 (analog main speed, 0-10V/± 10V), AC (analog common terminal)
MA/MB/MC (Fault Relay Output)
Important jumpers and switches:
DIP switch S1-1: RS-485 terminal resistor (ON is 110 Ω, only used for terminal drivers)
DIP switch S1-2: Analog input A2 signal type (OFF=0-10V, ON=4-20mA)
Jumper CN15: Select analog output FM/AM as voltage (0-10V) or current (4-20mA)
2-wire/3-wire control:
Default 2-line: S1 closes and rotates forward, S2 closes and rotates backward.
If 3-wire (pulse start stop) is required, set any multifunctional input (such as H1-05) to 0. At this time, S1 is the running pulse, S2 is the stopping pulse, and this input terminal is for direction switching.

Parameter backup and fast recovery
The F7 digital manipulator has a copy function and can batch copy parameters without a computer.
Copy steps:
Read the source drive parameters into the operator: o3-01=1 (INV → OP READ).
Write operator data to the target drive: o3-01=2 (OP → INV Write).
Verify consistency: o3-01=3 (VERIY).
Notes:
The model (o2-04), software version (U1-14), and control mode (A1-02) of the target driver must be completely consistent with the source data, otherwise CPE, VAE, or CRE errors will be reported.
Before copying, set o3-02 to 1 (allowing writing).
If the drive control board is damaged and replaced, the o2-04 (capacity code) must be manually entered, and the remaining parameters will automatically return to their default values.
User parameter group: Common parameters can be placed in A2-01~A2-32, and A1-01 can be set to 1 (user level) to avoid on-site personnel mistakenly changing core parameters.
Common fault codes and on-site troubleshooting
The fault code is displayed on the operator, the fault relay acts, and the motor stops freely. The following are high-frequency faults and their handling steps.
4.1 OC - Overcurrent
Trigger condition: The output current exceeds the rated value by about 200%.
Possible reasons:
Motor cable phase to phase short circuit or grounding
Short acceleration/deceleration time (C1-01/C1-02)
Motor stalling or sudden load change
Driver output side contactor misoperation
Troubleshooting process:
Disconnect the motor cable and run the driver without load. If OC still reports, the IGBT inside the driver is damaged and needs to be replaced.
Measure the insulation resistance of the motor (to ground and between phases). If it is lower than 0.5M Ω, replace the motor cable or motor.
Check the acceleration and deceleration time, and for large inertial loads, extend C1-01 to more than 10 seconds.
If the load is an eccentric load (such as a reciprocating compressor), enable the stall prevention function: L3-01=1 (acceleration stall prevention).
4.2 OV - DC bus overvoltage
Trigger point: 208-240V>410Vdc, 480V>820Vdc.
Common reasons: too short deceleration time, excessive regenerative energy of the motor, and high power supply voltage.
Solution:
Extend deceleration time C1-02.
If the problem still cannot be solved, an external braking resistor (low-power built-in braking transistor, L3-04=3 needs to be set to enable anti stall with braking resistor) should be connected.
For high-power models (≥ 22kW), a CDBR braking unit and external resistor need to be selected.
4.3 OL1- Motor Overload
Trigger condition: Electronic thermal relay action (parameter L1-01 sets motor type).
Troubleshooting:
Check if E2-01 is set to the rated current on the motor nameplate.
Measure whether the actual operating current exceeds the rated value for a long time. If so, check the mechanical load or reduce the carrier frequency (lowering the C6-02 can reduce motor heating).
For motors with a speed range exceeding 10:1, L1-01 should be set to 2 (forced air cooling motor) or 3 (vector specific motor).
4.4 PGO-PG (encoder) disconnection
Trigger condition: Under closed-loop control (A1-02=1 or 3), no encoder pulse is received beyond the set time of F1-14.
Troubleshooting steps:
Check if the encoder cable is open or if the terminals are loose (A+/A -, etc. for PG-B2/X2/W2).
Measure whether the PG power supply (12V or 5V) is normal using an oscilloscope or multimeter.
Check if F1-01 (number of pulses per revolution) matches the encoder nameplate.
If it is a hardware detection model (F1-25=1), it is also necessary to check the Z-phase of PG-Z2.
4.5 CPF00/CPF01- Operator Communication Failure
Reason: Communication interruption between the operator and the main control board.
Solution: Re plug and unplug the operator cable; If it is ineffective, replace the operator or control board.

Preventive maintenance and replacement of vulnerable parts
The average time between failures of F7 drives is affected by environmental and usage conditions, and the recommended replacement cycle is shown in the table below.
Replacement tips for component standard life inspection methods
The cooling fan has accumulated 2-3 years (20000 hours) of U1-40 operation time and produces abnormal noise. Low power models use 24V fans (such as FAN001066); High power 230V fan
DC bus capacitor visually bulges and leaks after 5 years, and the measured capacity decreases by more than 20%. Replace the entire capacitor board or driver
Replace the control board with the same electrolytic capacitor for 5 years as before
If the DC bus fuse is blown after 10 years of on-off measurement, it is usually accompanied by IGBT breakdown, and the IGBT module must be replaced first
Steps for replacing the cooling fan (taking CIMR-F7U22P2 as an example):
Power off and wait for the CHARGE LED to turn off, measure the DC bus voltage to be less than 10V.
Remove the operator and front cover, and unplug the fan power plug.
Press the buckles on both sides of the fan cover and pull out the fan.
When installing a new fan, pay attention to the airflow arrow pointing towards the inside of the drive (blowing towards the heat sink).
High power models (such as F7U4075) need to remove the entire fan assembly, loosen the fixing screws, and replace the internal fan.
Regular inspection checklist:
Monthly: Check terminal heating (infrared temperature measurement), clean radiator dust (compressed air ≤ 85psi).
Every six months: measure the input voltage imbalance (<3%) and record the maximum output current.
Every year: tighten the main circuit screws (torque according to Table 2.1/2.2 in the manual) and check whether the control circuit terminals are oxidized.
Shutdown Replacement and Upgrade Guide
When the F7 drive is discontinued or cannot be repaired, it can be upgraded to the new generation GA800, GA500, or U1000 series. Attention should be paid to replacement:
Capacity matching: The overload rated current of the new drive must be ≥ the overload rated current of the original F7. For example, F7U43P7 (5HP, heavy load 7.6A) can be replaced with GA500-4R3 (4.3kW heavy load 7.6A).
I/O function mapping: The multifunctional inputs (H1-01~H1-06) and outputs (H2-01~H2-03) of F7 need to be reconfigured in the new drive, especially for external faults, PID feedback, multi-stage speed, etc.
Communication protocol: If the original system uses Modbus RTU (RS-485), the new driver usually also supports it; If using PG-X2 closed-loop vector, it is necessary to confirm whether the new driver supports encoder feedback card.
Parameter conversion: Yaskawa parameter conversion tool (DriveWizard) can be used to convert F7 parameter files to a new format, greatly reducing manual input workload.
Braking unit: The original F7 external CDBR braking unit can generally continue to be used, but it is necessary to check whether the resistance and power match the new driver.
